Helisüsteemi uuendamine

Collapse
X
 
  • Kellaaeg
  • Show
Clear All
new posts
  • Svago
    Liige
    • 09/2013
    • 3151

    #91
    Vs: Helisüsteemi uuendamine

    Esmalt postitatud moi poolt
    Üks asi on veel mida võiks järgida kõlari filtrisageduse valikul. Hea on kui filtri lõikesagedus jääb väljaspoole inimese hääle sagedusriba ehk umbes 300-3000 Hz vahemikust välja poole, sest selles vahemikus on inimese kõrv kõige tundlikum ja igasugused moonutused (ASK ja FSK anomaaliad) mida filter võib tekitada on paremini kuulda.
    Inimese kuulmine on kõige tundlikum 3,7kHz juures. Ma suurendaks selle diapasooni kuni 5kHz.ni.

    The hearing curves show a significant dip in the range 2000-5000 Hz with a peak sensitivity around 3500 -4000 Hz. This is associated with the resonance of the auditory canal. There is another enhanced sensitivity region at about 13,500 Hz which may be associated with the third harmonic resonance of the auditory canal. The high sensitivity region at 2-5kHz is very important for the understanding of speech.

    Comment

    • Huviline35
      Liige
      • 02/2014
      • 40

      #92
      Vs: Helisüsteemi uuendamine

      Polnud pikalt aega asjaga tegeleda.Nüüd jälle elu õigel sagedusel.

      Sony terve koosluses:
      Click image for larger version

Name:	sony full test.jpg
Views:	1
Size:	65,5 KB
ID:	871527

      Võrdluseks yamaha ns333.Sai ostetud tagumisteks,aga jäid pikalt ette.Üllatav kirgas/detailne kõrge ots,hea soundstage.Oma hinda väärt.
      Click image for larger version

Name:	ns333 test.jpg
Views:	1
Size:	65,7 KB
ID:	871528

      Sony vs. yamaha:
      Click image for larger version

Name:	yamaha vs.sony.jpg
Views:	1
Size:	73,8 KB
ID:	871529

      Sony midbass:
      Click image for larger version

Name:	sony midbass ask.jpg
Views:	1
Size:	69,4 KB
ID:	871531

      sony tweeter:
      Click image for larger version

Name:	sony tweeter ask3.jpg
Views:	1
Size:	47,5 KB
ID:	871532

      Midbass+tweeter võrdlus:
      Click image for larger version

Name:	tweeter+midbass.jpg
Views:	2
Size:	52,0 KB
ID:	871533

      Testid umik-1. 2kHz-2,5kHz lõikamine tundub reaalne(paljudel headel 2-ribalistel lõikamine just selles vahemikus).Boximile rew failiformaat sobib või vajadus teisendada?
      Lisatud failid
      viimati muutis kasutaja Huviline35; 15 December 2018, 14:25.

      Comment

      • moi
        Liige
        • 01/2003
        • 7729

        #93
        Vs: Helisüsteemi uuendamine

        Kus ja kuidas need ASK-d mõõdetud on?
        Valjukad olid kõlaris omal kohal ilma filtrita ilmselt aga kus oli mikker, kui kaugel/kõrgel kõlarist ja kõlar oli kuskohas ruumis?
        Kas sa moonutuste graafikut saad näidata mõlema kohta umbes 1W võimsusega signaali korral?
        Mõõda kõrgeid ikka alates kuskilt 500 Hz juurest.

        Yamaha NS-333 ASK auk 2-3 kHz vahel viitab tõenäoliselt ebaõnnestunud filtrile/valjukate sobitusel, kui just ei ole pärit mõõtmiskohast.
        viimati muutis kasutaja moi; 15 December 2018, 16:44.

        Comment

        • MK
          Liige
          • 10/2003
          • 1970

          #94
          Vs: Helisüsteemi uuendamine

          Samas sonyde häälestus tundub päris hea tõenäoliselt puuduhäägid on tingitud mingitest muudest asjadest

          Comment

          • Huviline35
            Liige
            • 02/2014
            • 40

            #95
            Vs: Helisüsteemi uuendamine

            Esmalt postitatud moi poolt
            Kus ja kuidas need ASK-d mõõdetud on?
            Valjukad olid kõlaris omal kohal ilma filtrita ilmselt aga kus oli mikker, kui kaugel/kõrgel kõlarist ja kõlar oli kuskohas ruumis?
            Kas sa moonutuste graafikut saad näidata mõlema kohta umbes 1W võimsusega signaali korral?
            Mõõda kõrgeid ikka alates kuskilt 500 Hz juurest.

            Yamaha NS-333 ASK auk 2-3 kHz vahel viitab tõenäoliselt ebaõnnestunud filtrile/valjukate sobitusel, kui just ei ole pärit mõõtmiskohast.
            Kõlar posti peal,seinast ca 30cm.Mikrofon teisel sama postil,1m kaugust.Elemendid eraldi ikka otse signaal valjukasse ja mikrofon horisntaalis suunaga elemendi keskele.Tuba betoon,kappe-riiuleid seina pole,diivan ja tv suurimad asjad toas.Ei julgenud eriti madalama sagedusega mõõta.Signaal hdmi-ga ressiiverisse(kellad-viled nullis).

            Seda pead silmas?
            Click image for larger version

Name:	distortion.jpg
Views:	1
Size:	92,1 KB
ID:	871534

            Comment

            • madis64
              Liige
              • 02/2015
              • 1764

              #96
              Vs: Helisüsteemi uuendamine

              Esmalt postitatud Huviline35 poolt
              Seda pead silmas?
              [ATTACH=CONFIG]17084[/ATTACH]
              moi kunagi soovitas mulle, et selles vaates on hea (otstarbekohane) seada "Plot normalized to fundamental" - hää nõuanne oli

              Comment

              • moi
                Liige
                • 01/2003
                • 7729

                #97
                Vs: Helisüsteemi uuendamine

                Nii on jah moonutuste pilti parem lugeda, lisaks võiks maha võtta valiku "Mask harmonics below noise floor", näidata tulemust protsentides ning panna kursor kõige kriitilisemale sagedusele ja pilti salvestades valida ka Include Legend ja Cursor.

                ASK mõõtmise kohta veel.
                Kui on vaja filtri tegemiseks ASK-d, siis peaks seda mõõtma nii, et kõlar on kõigest ruumis vähemalt 1 m kaugusel (ka põrandas), mikker on 1 m kõlarist ja nii kõrgete kui bassika mõõtmisel samas kohas õigel kuulamise kõrgusel kõlari suhtes.
                Saadud tulemusest tuleks välja filtreerida ruumis tekkivad peegeldused. Seda saab teha, kui mõõtmise kohta käivas IR Windows seadetes paned Right Window 3 ms. See lõikab ajaliselt maha kõik peegeldused, mille mikrini jõudmine võtab rohkem aega kui 3 ms, see lõikab maha ka kõik sagedused, mis on madalamad kui ~300 Hz aga filtri tegemiseks kuhugi 3 kHz peale sellest piisab.

                Comment

                • Huviline35
                  Liige
                  • 02/2014
                  • 40

                  #98
                  Vs: Helisüsteemi uuendamine

                  Vot siis.Teeb uued testid ja valib parima koha ruumis.Tunduski veider,et mikkrit cm tõstes tulemus hoopis teine ja elemente eraldi mõõtes kõrgust muuta pole vaja.Selge on see,et täppistulemust ei saa.Huvitav kuidas elementide valmistaja asja teostab,kas tehakse "testkast" vms.
                  Sai uuritud boximi,vituixcad ja xsim programme.Xsim tundub kõige käepärasem,aga on üks probleem.REW poolt genereeritud zma ja frd tekstifaili ei loe.Foorumitest otsides selgus,et punkti ja koma probleem.Vaatab uurib mõne muu teisendajaga.

                  Comment

                  • moi
                    Liige
                    • 01/2003
                    • 7729

                    #99
                    Vs: Helisüsteemi uuendamine

                    Et natuke aimu saada võid vaadata juba tehtud mõõtmisi nii, et IR Windows seadetes paned Right Window 3 ms ja uurid impuls karakteristikut, kui palju seal midagi reaalselt peale 3 ms on. Kui pole, siis uue mõõtmisega väga suuri muudatusi ei tohiks tulla. Kui mikri asukohta valjukate suhtes muutsid, siis oleks kindluse mõttes hea uuesti mõõta. Samas ma ei tea kui perfektsionist sa oled ja kui palju üldse viitsid selle filtriga jännata, kas lased automaatselt arvutada programmil või reaalselt hakkad mingite väärtustega mängima.

                    Xsim tundus täitsa asjalik soft olema, ainult tema uut versiooni Xsim 3D (kus ka DSP PEQ simulatsioon sees) ei õnnestunud mul kuskilt laadida, originaali leht on maas.

                    Comment

                    • olavsu1
                      Liige
                      • 05/2005
                      • 2826

                      #100
                      Vs: Helisüsteemi uuendamine

                      Esmalt postitatud moi poolt

                      Xsim tundus täitsa asjalik soft olema, ainult tema uut versiooni Xsim 3D (kus ka DSP PEQ simulatsioon sees) ei õnnestunud mul kuskilt laadida, originaali leht on maas.


                      sellest XSim3DSetup.exe on jutt?

                      Comment

                      • Huviline35
                        Liige
                        • 02/2014
                        • 40

                        #101
                        Vs: Helisüsteemi uuendamine

                        Esmalt postitatud Huviline35 poolt
                        Sai uuritud boximi,vituixcad ja xsim programme.Xsim tundub kõige käepärasem,aga on üks probleem.REW poolt genereeritud zma ja frd tekstifaili ei loe.Foorumitest otsides selgus,et punkti ja koma probleem.Vaatab uurib mõne muu teisendajaga.
                        Valehäire.Valides "use rew export number format" ja export text delimiter "Tab" asi toimib.Ilmselt REW vanemas versioonis polnud sellist valikut.
                        Kes Xsim-ga toimetanud on,siis küsimus,et mis komponendi väärtust näitab ESR.Väärtust muutes mõju päris märkimistväärne.

                        Comment

                        • moi
                          Liige
                          • 01/2003
                          • 7729

                          #102
                          Vs: Helisüsteemi uuendamine

                          Xsim-iga pole veel mänginud aga üldiselt näitab ESR (equivalent series resistance) kondensaatorite aktiivtakistust või induktiivsuse alalisvoolu takistust, mis sõltub tugevasti kondensaatori või induktiivsuse tüübist.

                          Comment

                          • Huviline35
                            Liige
                            • 02/2014
                            • 40

                            #103
                            Vs: Helisüsteemi uuendamine

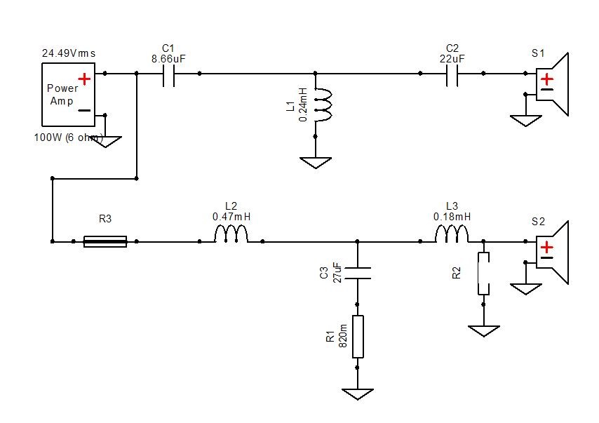
                            Kordusmõõtmised midagi erilist ei muutnud.Kuni 500Hz elab oma elu,iga mõõtmine samalt kohalt toob eri tulemuse.Ilmselt lage betoonruum vale koht selleks tegevuseks.

                            Click image for larger version

Name:	xsim viimane komp..jpg
Views:	1
Size:	62,9 KB
ID:	871537
                            Millest tingitud lõikekoht ca 5db allpool?"Õiges" kohas põhigraafikus muhk.

                            Click image for larger version

Name:	xsim viimane freg,res..jpg
Views:	1
Size:	88,8 KB
ID:	871538
                            Click image for larger version

Name:	xsim viimane imp..jpg
Views:	1
Size:	91,7 KB
ID:	871539

                            Poolid ilmselt Jantzeni air cored coil ja kondensaatorid Jantzen cross capid.Audiohobbys hea valik.

                            Comment

                            • moi
                              Liige
                              • 01/2003
                              • 7729

                              #104
                              Vs: Helisüsteemi uuendamine

                              Näita kõrgete 1m pealt ja 3ms gated mõõtmist vähemalt, või pane REW mõõtmiste fail kuhugi üles, saab ise vaadata mida vaja.
                              Sinu filtri ehitamise jaoks vajalikud mõõtmised saab ükskõik millises ruumis ära teha, kui paned kõlari kõigest 1 m kaugusele ja teed 1 m kauguselt mõõtmised.

                              Comment

                              • Huviline35
                                Liige
                                • 02/2014
                                • 40

                                #105
                                Vs: Helisüsteemi uuendamine

                                Kõrgete 3ms.Kukkumine 1,5db.Kõrge kukkumist ilmselt saab parandada ainult ekvalaiseriga.Eks uue krossiga peab kuulama.Originalil kummaline ,et installeeritud 3 takistit,mis omakorda viivad veel rohkem alla.

                                Click image for larger version

Name:	3ms 2.jpg
Views:	1
Size:	49,7 KB
ID:	871541
                                Lisatud failid
                                viimati muutis kasutaja Huviline35; 18 December 2018, 13:58.

                                Comment

                                Working...