Koostame TTL skeeme

Collapse
X
 
  • Kellaaeg
  • Show
Clear All
new posts
  • Svago
    Liige
    • 09/2013
    • 3151

    #16
    Vs: Koostame TTL skeeme

    Mul on küll mitme plaadi peal, ainult ilma pistikuteta. Pistikuid on olemas erinevat tüüpi ja mõni kõlbab kindlasti.
    Sisendosa on eraldi varjestatud plaadil – sees on eelvõimendi, 10-jagur või siis otse. Sisend on BNC + lühike varjestatud juhe ja välja läheb ka varjestatud juhtmega.
    10-nd jagurid, kvartsgeneraator+ juhtimine on eraldi makettplaadil (plaati ise tehes oleks olnud vähemalt 2X väiksem).
    Ka LED-id on eraldi plaadil makettplaadi suhtes 90° nurga all. Toiteosa on makettplaadil, +5V stabikas saab jahutuse tagapaneelilt.

    viimati muutis kasutaja Svago; 23 May 2019, 09:24.

    Comment

    • fre
      Liige
      • 02/2004
      • 3814

      #17
      Vs: Koostame TTL skeeme

      Esmalt postitatud fre poolt
      .....
      Kõik see kokku oli mõeldud kolmele montaažplaadile,
      materjaliks mõlemapoolselt folgeeritud klaastekstoliit.
      Ühel plaadil on kuus loendusdekaadi ja veel nendele
      lisaks vajalikud neli mikroskeemi, kokku sellel plaadil
      on 22 "kivi", montaažplaadi mõõdud 117,5 x 57,5mm.
      Teisel samasuurel montaažplaadil on sisendsignaali
      formeerija (märkmete järgi pärineb skeem ajakirjast
      "Радио" nr. 10 / 1981, lk. 44) ja ülejäänud 11 "kivi"
      koos nende juurde kuuluvate detailidega.
      .....
      Kolmandal plaadil, mõõtudega 47,5 x 20mm on vaid
      seitse LED-numbriindikaatorit.
      .....
      Kaks suuremat plaati olid omavahel koos nurkipidi.
      Loendurite plaadi ja tabloo vahel oli juhtmežgutt,
      paremat lahendust ei osanud välja mõelda...
      .....
      Mul on kodus nõukogude ajal saadud Ч3-63.
      Ikkagi veel suurevõitu...
      Siinkirjeldatu võis aga mahtuda üsna väikese korpuse
      sisse, ehk umbes 70 x 30 millimeetrit võis esiplaat olla
      ja karbi sügavust (pikkust) ehk umbes 150mm. Mõõtis
      kuni 25MHz kindlasti, ilmselt kuigipalju üle selle. Veel
      kõrgemate sageduste mõõtmiseks tuli juba eeljagurit
      kasutada. Nende skeeme oli ka sel ajal liikvel...

      Ega need tehase omad vägapalju ka rohkemat teinud,
      ka minu aretusele saaks need väikese pusimise peale
      juurde tekitada, kui just puudu jäävad...

      Ületäituvuse skeemiosa veel juurde:

      Click image for larger version

Name:	TTLüle.png
Views:	1
Size:	2,5 KB
ID:	871964

      Sagedusmõõtja sisendsignaali "kandiliseks" formeerimise
      skeem on ajakirjast "Радио" nr.10, 1981 S. Birjukovi artiklist
      "Цифровой частотомер":

      Terve ajakirjanumber on ka allalaetav, kuid arvutis peab
      selleks olema .djvu failide vaatamise võimalus:

      Enam-vähem samasugust formeerijat on ka mujal kasutatud,
      näiteks:
      Статья с иллюстрациями и подробными комментариями: Цифровой магнитофон


      Järgneb...
      viimati muutis kasutaja fre; 24 May 2019, 11:12.
      Elektroonika töötab suitsu baasil.
      Tähendab - igasse detaili on doseeritud täpne kogus suitsu.
      Kui mõnest suits välja lasta, siis värk enam ei käi.

      Comment

      • Svago
        Liige
        • 09/2013
        • 3151

        #18
        Vs: Koostame TTL skeeme

        Частотомеры Ч3-54 электронно-счетные: Диапазон измеряемых частот от 0,1Гц до 300МГц

        Частотомер Ч3-54 может работать с одним из сменных блоков:
        - Я3Ч-72 - преобразователь частоты автоматический. Измеряет частоту синусоидальных сигналов от 0,3 до 7 ГГц при уровне входного сигнала от 0,2 до 5 мВт;
        - Я34-87 и Я34-88 - преобразователи частоты. Преобразуют частоту непрерывных синусоидальных электрических сигналов и несущие частоты ИМ сигнала из диапазона 0,07-18 ГГц в диапазон непосредственного счета частотомера Ч3-54 с последующим ее измерением.

        Comment

        • radiotehnika35
          Liige
          • 07/2004
          • 3446

          #19
          Vs: Koostame TTL skeeme

          Tänud! Kas viimases postis viidatu kohta ka sarnast asja saaks? Ma ei tea kas ei oska otsida või milles asi aga pdf ei ole leidnud ka selle eelmise kohta.
          -superradical-

          Comment

          • Svago
            Liige
            • 09/2013
            • 3151

            #20
            Vs: Koostame TTL skeeme

            Vähe põhjalikum: https://rcl-radio.ru/wp-content/uplo...7/03/h3_54.pdf

            Tuleb välja, et lisaplokiga töötab kuni 78.33GHz.
            viimati muutis kasutaja Svago; 23 May 2019, 21:29.

            Comment

            • radiotehnika35
              Liige
              • 07/2004
              • 3446

              #21
              Vs: Koostame TTL skeeme

              Esmalt postitatud Svago poolt
              Teine tänu! See on väga hea, nüüd peab kõvasti tõlkima aga infot seal näib olevat, saab ehk näpunäiteidki.

              Esmalt postitatud Svago poolt
              Tuleb välja, et lisaplokiga töötab kuni 78.33GHz.
              Vot seda ei taha mitte kohe uskuda, ei tea miks aga ei taha
              Või OK, ehk kui isegi mingi imeliku??? plokiga see on võimalik, siis milline on see tulemus, ütleme kui tõesti oleks isegi võtta signaal näiteks 78 310 000 000 Hz (noh, oletame, et meil oleks näiteks riistapuu, mis annabs elle signaali näiteks +-5Hz hälbega, siis huvitav, milline võiks selle mõõteriista näit parimal juhul olla? See 78GHz on ikka pagana kõrge sagedus, need mõõtjad ju ilmusid juba vist 1982 aastal ja ei taha nagu uskuda, et see riist võiks seal näiteks ainult 1000Hz eksida. Miskipärast ei taha seda uskuda.
              Selles sageduses on signaali kuju ehk siis selle mõõdetava kõveriku kuju mõõteriistale ka hirmus oluline, perfektse tsükliga ristkülik või siis mingi erikuju on ilmselt selle vanema ajastu instrumendiga mõõtes ehk väga palju erineva tulemusega...või?
              Mitte, et nüüd tahaks niisugust sagedust mõõta aga see ei ole nagu väga igapäevane.
              -superradical-

              Comment

              • Svago
                Liige
                • 09/2013
                • 3151

                #22
                Vs: Koostame TTL skeeme

                OT. Kui ma ehitasin 80-date lõpus 2. ja 3. SAT LNB, siis olid mul olemas militaarsed GaAs 3P väljatransid, milliste mürad ja võimendus olid optimeeritud 12GHz ja 18GHz sagedusel. Tollal oli olemas veelgi kõrgema sagedusega komponente, mis mind SAT vastuvõtja ehitamisel ei huvitanud.
                Eks selle kõrge sageduse määrab tööpõhimõte.

                Comment

                • radiotehnika35
                  Liige
                  • 07/2004
                  • 3446

                  #23
                  Vs: Koostame TTL skeeme

                  Esmalt postitatud Svago poolt
                  OT.
                  Näe, nagu telepaatia - sattusin just õigel hetkel.

                  Aga teoorias - mida selle riistaga nii kõrge sageduse mõõtmisel võiks reaalselt oodata? Mingit suurusjärku täpsuses?
                  Või mida see lisaplokk seal kujutab? Mõõteriista ennast ilmselt on ka praegusel ajal võimalik hankida ju. Aga praktikas vist seda katset on hobitajal kodus raske teha - 78GHz signaali naljalt kusagilt lihtmeetodil ju ei püüa või on ekslik arvamus?

                  Väga OT ju ei ole, kattub mingis osas teemaga.
                  -superradical-

                  Comment

                  • Svago
                    Liige
                    • 09/2013
                    • 3151

                    #24
                    Vs: Koostame TTL skeeme

                    OT. Sellisel sagedusel töötavad radarid, nüüd on need kasutusel näiteks ka kiirusemõõtmisel, erinevates andurites.



                    Täpsuse määrab ju dekaadide ja indikaatorite arv. Kui ma mõõdan lüliti asendis 1:1, siis on viimase numbri täpsus 1Hz. Kui esimene sagedusjagur on sisselülitatud asendis 1:10, siis on viimane number 10Hz kordne.
                    viimati muutis kasutaja Svago; 24 May 2019, 09:20. Põhjus: täpsustus

                    Comment

                    • fre
                      Liige
                      • 02/2004
                      • 3814

                      #25
                      Vs: Koostame TTL skeeme

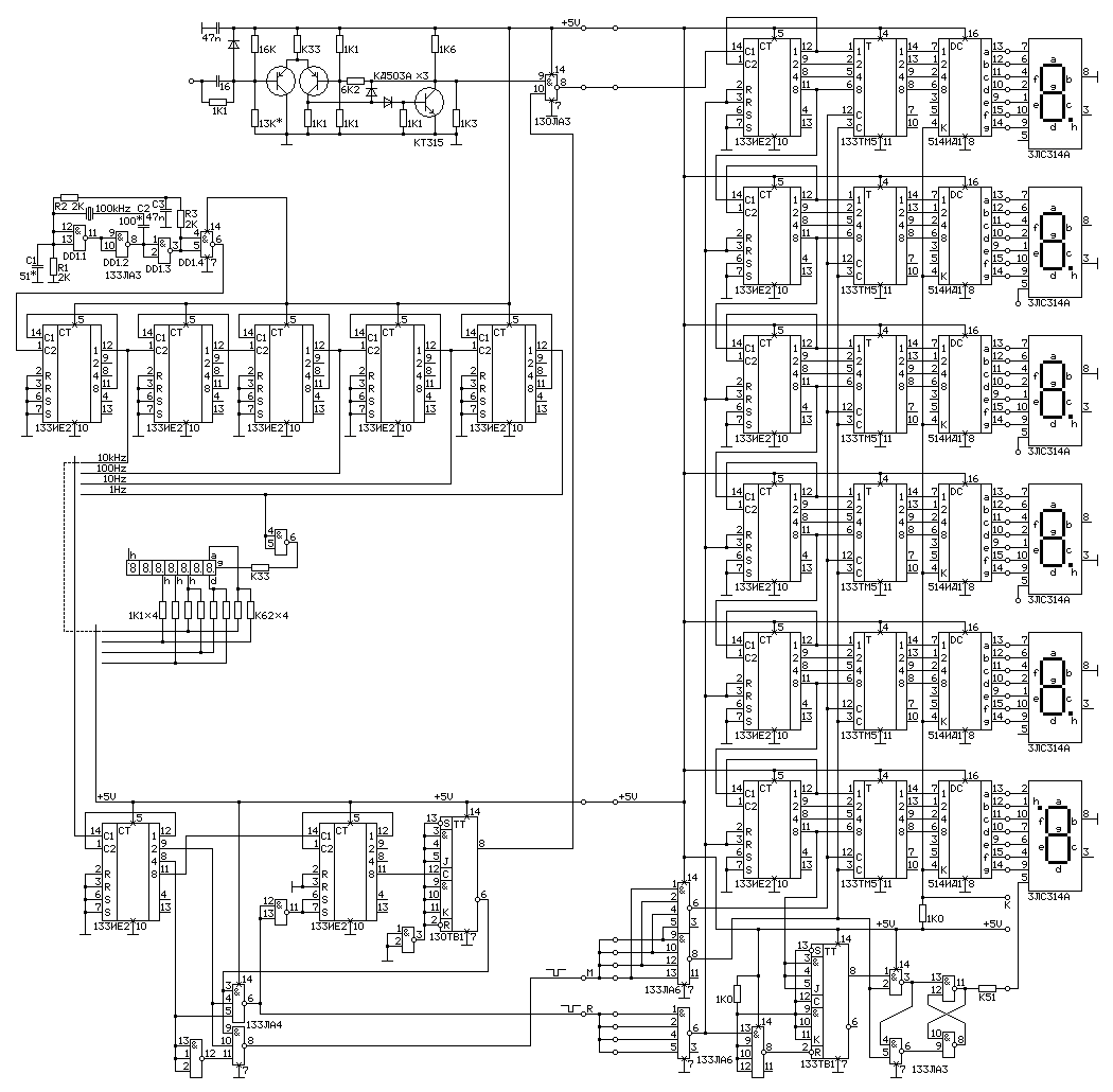
                      Nüüd siis kogu põhimõtteskeem üheskoos.
                      Skeemil puuduvad kondensaatorid, mis toitega rööbiti.
                      Ka ei pingutanud detailide nummerdamisega, nii näeb
                      klaarim-ilusam välja. Nominaalid ja nimed on olemas.

                      Click image for larger version

Name:	TTLko2.png
Views:	1
Size:	46,8 KB
ID:	871972

                      Klikk pildil peaks skeemi suuremaks ja selgemaks tegema.

                      Vasakpoolne osa 11 mikroskeemiga oli mõeldud ühele montaažplaadile,
                      aga seal näidatud piirkondade ümberlüliti koos takistitega oli eraldi.
                      Teisel samasuurel plaadil oli parempoolne osa 22 mikroskeemiga,
                      aga seal näidatud 6 + 1 numbriindikaatorit olid eraldi tabloo plaadil.

                      NB! Skeemil kõige alumine (tablool kõige vasakpoolsem) 3ЛС314А
                      on tagurpidi, sellest ka skeemil teistsugused tema viikude numbrid.

                      Kui on huvilisi, saan ka montaažplaatide jooniseid "digitaliseerida".
                      viimati muutis kasutaja fre; 26 May 2019, 00:34.
                      Elektroonika töötab suitsu baasil.
                      Tähendab - igasse detaili on doseeritud täpne kogus suitsu.
                      Kui mõnest suits välja lasta, siis värk enam ei käi.

                      Comment

                      • fre
                        Liige
                        • 02/2004
                        • 3814

                        #26
                        Vs: Koostame TTL skeeme

                        Ajakirjas "Радио" 1987 nr. 4, lk. 57 on sellise sisendsignaali formeerija
                        skeemi kohta väikseid muudatusi pakutud. Esimene võimendusaste on
                        sisendtakistuse suurendamiseks lahendatud väljatransistoriga КП305А.
                        http://radioway.ru/1987/04/povysheni...stotomera.html
                        Lehekülg 57 sealt:
                        http://radioway.ru/images/big/1987/04/_1987_04_59.gif
                        ja terve ajakiri .djvu formaadis:


                        Toimetusepoolse lisamärkuse järgi peaks tundlikkuse suurendamiseks
                        veel suurendama selle takisti väärtust, mis asub seal dioodide juures,
                        6,2kΩ asemele panna 62kΩ. Kas nii oli juba algse artikli autoril või on
                        artiklisse viga sisse tulnud ajakirja toimetuses, pole öeldud.
                        viimati muutis kasutaja fre; 26 May 2019, 16:51.
                        Elektroonika töötab suitsu baasil.
                        Tähendab - igasse detaili on doseeritud täpne kogus suitsu.
                        Kui mõnest suits välja lasta, siis värk enam ei käi.

                        Comment

                        • home
                          Liige
                          • 12/2015
                          • 1080

                          #27
                          Vs: Koostame TTL skeeme

                          Tere! Kas keegi oskab nõu anda, kuidas TTL baasil SPDIF(coaxial) kommutaatorid saaks teha. Vaja oleks et sisendis: 3 x SPDIF, ja 2 x AES/EBU, väljundis: AES/EBU. Vajalikku info leidsin siit, sisend, väljund on seal olemas. Kas selleks et neid ümberlülitada on mingit spets kivid olemas, või sobib mingi multipleksor? Mingi juhtimine ja indikatsioon tuleb ka välja nuputada. Kas üldse saab seda niimoodi teha, või on mingid muud lahendused.
                          Ilmselt provotseerib audiofiilia aja jooksul retrofiilse modernofoobia arengut.

                          Comment

                          • fre
                            Liige
                            • 02/2004
                            • 3814

                            #28
                            Vs: Koostame TTL skeeme

                            Siin teises teemas pakkusin välja mikroskeemi, mis töötab
                            dünaamilise indikatsiooniga, korraga neli loendusdekaadi
                            ühes 18-viigulises korpuses. Talle sobib ka +5V toitepinge
                            ja võiks seega näiteks asendada viimast nelja ("aeglasemat")
                            loendusdekaadi, kui keegi soovib sagedusmõõtjat ehitada.
                            Noh, saab siis sellise hübriidi...:
                            viimati muutis kasutaja fre; 16 March 2022, 03:17.
                            Elektroonika töötab suitsu baasil.
                            Tähendab - igasse detaili on doseeritud täpne kogus suitsu.
                            Kui mõnest suits välja lasta, siis värk enam ei käi.

                            Comment

                            • fre
                              Liige
                              • 02/2004
                              • 3814

                              #29
                              Vs: Koostame TTL skeeme

                              Esmalt postitatud fre poolt
                              .......
                              ... aga seal näidatud 6 + 1 numbriindikaatorit olid eraldi tabloo plaadil.

                              NB! Skeemil kõige alumine (tablool kõige vasakpoolsem) 3ЛС314А
                              on tagurpidi, sellest ka skeemil teistsugused tema viikude numbrid.

                              Kui on huvilisi, saan ka montaažplaatide jooniseid "digitaliseerida".
                              Alustasin tabloo plaadiga, arvutisse sai ta niisugune:

                              Click image for larger version

Name:	TTLtm.png
Views:	1
Size:	5,8 KB
ID:	871992

                              Ülemine on vaade numbri-indikaatorite poolele,
                              alumine on tagakülg, kuid "vaade läbi plaadi".
                              Et 3ЛС314А laius on 5,3mm, tuli veidike viilida
                              et saada nende laiuseks 5mm. Plaadi mõõt on
                              47,5 x 20mm.
                              viimati muutis kasutaja fre; 02 June 2019, 01:05.
                              Elektroonika töötab suitsu baasil.
                              Tähendab - igasse detaili on doseeritud täpne kogus suitsu.
                              Kui mõnest suits välja lasta, siis värk enam ei käi.

                              Comment

                              • fre
                                Liige
                                • 02/2004
                                • 3814

                                #30
                                Vs: Koostame TTL skeeme

                                Nüüdseks on veel arvutisse saanud loendusdekaadide osa
                                (postituse #25 skeemil parempoolne) montaažplaadi joonised.
                                Mõlema poole vaated radade poolt.
                                Plaadi mõõdud on 117,5 x 57,5mm.

                                Click image for larger version

Name:	TTLdek.jpg
Views:	1
Size:	176,0 KB
ID:	872138
                                Elektroonika töötab suitsu baasil.
                                Tähendab - igasse detaili on doseeritud täpne kogus suitsu.
                                Kui mõnest suits välja lasta, siis värk enam ei käi.

                                Comment

                                Working...