NE555 reset klõps

Collapse
X
 
  • Kellaaeg
  • Show
Clear All
new posts
  • Michael Jackson
    Liige
    • 02/2019
    • 3

    #1

    NE555 reset klõps

    Kasutan NE555 ultrahelisignaali genereerimiseks, taga on võim ja tviiterid. Juhin NE555 läbi reset jala, lastest sinna peale vastavalt HIGH või LOW. Selline lülitamine tekitab kahjuks kuuldavad klõpsud. Kuidas võiks sellistest lülitamise klõpsudest lahti saada?
  • OSX
    Üldmoderaator
    • 02/2007
    • 5594

    #2
    Vs: NE555 reset klõps

    Kas twiiterid on filtreeritud? Mis sagedustel on tööala?
    Kui tõde võib välja öelda ainult sosinal, on riigi vallutanud vaenlane.
    Konfutsius

    Comment

    • Michael Jackson
      Liige
      • 02/2019
      • 3

      #3
      Vs: NE555 reset klõps

      Ei, twiitertiel filtrit ei ole. NE555 genereeritav sagedus on reguleeritud >20kHz, ehk alates sealt kus inimkõrv enam ei kuule.

      Comment

      • ci139
        Liige
        • 01/2019
        • 401

        #4
        Vs: NE555 reset klõps

        kassa tervet skeemi ei viitsi siia üles riputada -- see klõps võib olla tingitud 555-le järgnevast ahelast mis ~AC-ga on kogutoite kesväärtuse lähedal aga selle puudumisel "hüppab" toite ±Max peale . . . . . . kõige "lihtsam" ?? oleks kõlarid silda panna mis läheb kõrimpedantsi sisendi ~AC puudumisel

        versus

        (https://www.murata.com/en-us/support...log#Catalog013) →→ https://www.murata.com/~/media/webre....ashx?la=en-us (←← näitab skeeme kus piezoga on parallelselt 1kΩ või vastupingestatud diood)
        viimati muutis kasutaja ci139; 07 February 2019, 16:58.

        Comment

        • Michael Jackson
          Liige
          • 02/2019
          • 3

          #5
          Vs: NE555 reset klõps

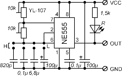
          Kasutan sellist valmistükki. 4. reset jala ühendasin lahti ja sinna läheb Arduinost HIGH või LOW peale. Output otse võimendisse.


          Comment

          • ci139
            Liige
            • 01/2019
            • 401

            #6
            Vs: NE555 reset klõps

            Click image for larger version

Name:	555-X-timer.gif
Views:	1
Size:	5,5 KB
ID:	871658 from :: https://mysku.me/blog/aliexpress/35019.html

            kondekate väärtuse mõnevõrra erinevad aga põhimõtteliselt paistab olevat sinu omale vastav skeem

            RESET laeb kondekad tühjaks (kui sagedus on takistitega kõrgeks reguleeritud siis on takistuse väärtus väike ja RESET võib läbi nende toite alla tõmmata)

            PS! -- ära kohe midagi jookse tegema vaid oota ära kui see teema selgineb !!!
            praegusel hetkel ei ole aru saada ¹ mis on lülitamisel kõlari väljundi pinge hüppe põhjus
            _______________________________________________

            alternatiiv variant :: kui sa MOD (pin - 5) alla tõmbad peaks effekt olema vastupidine . . . valetan ...

            ... hoopis pin 7-me bypass tuleb teha (siis ei imeta voolu nii palju RESET-i ajal) ::

            (aga klõpls on arvatavasti ¹ võimendi ja lõpp astmega seotud)

            Click image for larger version

Name:	NE555-TEST-Random-10.jpg
Views:	1
Size:	106,7 KB
ID:	871659
            viimati muutis kasutaja ci139; 07 February 2019, 22:18.

            Comment

            • Firefox
              Liige
              • 01/2019
              • 109

              #7
              Vs: NE555 reset klõps

              Pakuksin välja proovida Fade functioni arduino koodis. Oleneb muidugi kui kiiresti sul seda vaja sisse välja lülitada.
              "No one likes a smartass, but everyone loves being one"

              Comment

              • OSX
                Üldmoderaator
                • 02/2007
                • 5594

                #8
                Vs: NE555 reset klõps

                Esmalt postitatud Michael Jackson poolt
                Ei, twiitertiel filtrit ei ole. NE555 genereeritav sagedus on reguleeritud >20kHz, ehk alates sealt kus inimkõrv enam ei kuule.
                Oletame et ei kuule jah. Aga kuuleb lülitusimpulsse, mis on palju madalamate sagedustega. Pane prooviks filtrina vahele 0,1 - 0,25uF kondensaator ja jälgi kuipalju siis lülitus kuuldav on. Ilmselt võib olla vajalik veelgi väiksemat väärtust kasutada, ma lihtsalt ei tea kiirguri takistust.
                Kui tõde võib välja öelda ainult sosinal, on riigi vallutanud vaenlane.
                Konfutsius

                Comment

                • ci139
                  Liige
                  • 01/2019
                  • 401

                  #9
                  Vs: NE555 reset klõps

                  standardse audio võimu sisendi jaoks on vaja su väljund signaal 1-he (±0.5V) või 2-he (±1.0V) voldi peale maha jagada -- (mida saab teha 5V toite korral vastavalt 800Ω:200Ω või 600Ω:400Ω pingejaguriga) -- ja võibolla lisada eeltak 1kΩ kuni 10kΩ -- muidu võib võimendi liiga suurt sisend signaali näha ja igasuguseid trikke tegema hakata (muu hulgas ka rikki minna) ← kehtib 10kΩ audio line sisendiga võimendite kohta (mis võivad 20kHz kõrgemad sagedused maha lõigata . . .)

                  555-e väljund on piisavalt võimas et lasta sealt signaal otse või läbi jada-takisti otse twiter'isse -- üldjuhul on võimendit vaja ainult helitugevuse reguleerimiseks või ka pinge tõstmiseks piezo peab vastu vist üle 100v

                  viimati muutis kasutaja ci139; 08 February 2019, 04:14.

                  Comment

                  • ci139
                    Liige
                    • 01/2019
                    • 401

                    #10
                    Vs: NE555 reset klõps

                    Fade in fade out ...

                    Click image for larger version

Name:	NE555-TEST-Random-2C.jpg
Views:	1
Size:	125,2 KB
ID:	871661 + Auto-Shunt_1aa.zip
                    PS! avastasin vea ↑↑↑ see jant ei toimi -- (valem tuleb ka üle vaadata sest ma ei arvestanud teist poolperioodi , huvitav et ta peaaegu töötas ???)
                    sobib 10 V/µs 4MHz GBW https://www.onsemi.com/pub/Collateral/MC34071-D.PDF -- vmt. madala toitepingega töötav asi
                    –––––––––––––––––––––––––––––––––––––––––––––––––– ––––––
                    Õige jant -- õige op-võimendi konfiguratsioon/eelhäälestus
                    Click image for larger version

Name:	IMG_0509.gif
Views:	1
Size:	8,0 KB
ID:	871664◄see toimibClick image for larger version

Name:	NE555_Self-Biasing_Test_2C..gif
Views:	1
Size:	12,5 KB
ID:	871665◄ see² ei toimi
                    ↑↑ pildilt tuleb väja et kui võimendus on seatud ja Op võimendi õlad (voolude suhtes) proportsionaalsed siis on väljund (lihtsalt geomeetria tõttu , vt. ®-i image) ise häälestuv
                    –––––––––––––––––––––––––––––––––––––––––––––––––– ––––––
                    Õige jant nr.2 -- usaldasin Spice´i ja ei kontrollinud põhjalikult²
                    (mõte kleepis lahti . . . op amp´ri sisendid -- mis olid m´ul signaali maandusega UREF kokku kleepunud ??? peab rohkem magama)
                    Click image for larger version

Name:	NE555_Self-Biasing_Fix_2C.jpg
Views:	1
Size:	124,3 KB
ID:	871666 + RE:"see²" Click image for larger version

Name:	NE555_Self-Biasing_Fix2_2C.png
Views:	1
Size:	16,3 KB
ID:	871667
                    viimati muutis kasutaja ci139; 09 February 2019, 22:33.

                    Comment

                    • Starfish
                      Liige
                      • 08/2009
                      • 2294

                      #11
                      Vs: NE555 reset klõps

                      Sujuvalt sisse/välja võiks sedasi teha.
                      http://hparchive.com/
                      https://worldradiohistory.com/index.htm

                      Comment

                      • urmas78
                        Liige
                        • 02/2003
                        • 1604

                        #12
                        Vs: NE555 reset klõps

                        Et helist krõps ära saada on vaja kõigepealt 555 jätta käima, siis out võtta läbi konde, väljund tak maha et alalispinget eemaldada. Ja trants tekitab samuti krõpsu, parem on väljakaga teha, selle krõps on kõige väiksem. Saab ka nii nagu skeemis aga teistpidi juhtivusega.
                        Kunagi tegin kompressori ja katsetasin, täpselt nii sobib et kollektor maas, emitter signaali peal ja baasile annad positiivse pinge, trants npn. See ei ole justkui õige aga toimis paremini kui õigetpidi ühendades, moonutus oli nati väiksem.
                        Pinge peab olema väike, 0,1v sobiks mitte rohkem. Väljakaga võib saada suurema pingega, aga ammu pole enam katseid teinud ja ei tea kaasaegset trantsi soovitada. kp303 ja kp103 oli nõuka väljakad.

                        Comment

                        • ci139
                          Liige
                          • 01/2019
                          • 401

                          #13
                          Vs: NE555 reset klõps

                          Esmalt postitatud urmas78 poolt
                          tegin kompressori
                          http://www.cs.tlu.ee/~rinde/mm_mater..._wave_edit.pdf -- Lk.5
                          ----
                          Esmalt postitatud urmas78 poolt
                          täpselt nii sobib et kollektor maas, emitter signaali peal ja baasile annad positiivse pinge, trants npn
                          ? skeem oli sama ainult transi polaarsus teine ja töötas E(mitter) K(ollektori) asemel (e. siis vastupidise ß-ta režiimis (on hFE/h21e u. 4x)) ?

                          Comment

                          • ci139
                            Liige
                            • 01/2019
                            • 401

                            #14
                            Vs: NE555 reset klõps

                            veel üks test . . .
                            Click image for larger version

Name:	NE555_Self-Biasing_Test-2_2C.jpg
Views:	1
Size:	163,3 KB
ID:	871668 väiksema C2 väärtusega ((oli enne 1nF)) --ja-- ilma R3-, R12 -ta --s.o.-- Vrf´i kuhugi suunamatta -- ei ole ~AC osa nii hull aga ka mitte piisavalt hea
                            ---------------------
                            + mingi "tüüpolukord" jäi ikka testimatta ehk siis "maast" kasvav signaal . . . viimane toimib aga peab ettevaatlik olema
                            Click image for larger version

Name:	NE555_Self-Biasing_Test-3_2C.jpg
Views:	1
Size:	135,8 KB
ID:	871669
                            viimati muutis kasutaja ci139; 10 February 2019, 01:14.

                            Comment

                            • urmas78
                              Liige
                              • 02/2003
                              • 1604

                              #15
                              Vs: NE555 reset klõps

                              Esmalt postitatud ci139 poolt
                              ? skeem oli sama ainult transi polaarsus teine ja töötas E(mitter) K(ollektori) asemel (e. siis vastupidise ß-ta režiimis (on hFE/h21e u. 4x)) ?
                              K ja E äravahetamine vähendab võimendust ja annab seda mis vaja selles skeemis.
                              See trants peab hakkama toimima nagu lüliti, seega vajalik et nii positiivset kui negatiivset perioodi summutaks sama hästi. Tavaühenduse võimenduse tõttu positiivse perioodi pool saab rohkem summutatud, väiksema takistuse osaliseks ja sellest tekib moonutus.
                              Ma ei saanud sellest lingist aru digitöötlusele. Mõni aeg tagasi tuli asju analoogis teha, see info siis sellest ajast. Infoks kompressori mõte oli muuta heli nivood ilma sinna krõpse lisamata, seega teemasse sobib.

                              Kõige parem on muidugi tekitada digitaalselt otse selline signaal millel sisse-väljalülitades ei tekiks alalispinge muutust. Mingitmoodi kindlasti saab, keegi mõtleb ehk skeemi välja. Loogikaga näiteks, kui tekitada vastandfaasis sümmetriline signaal, seda lülitada ja väljund analoogis taas kokku panna siis ei tohiks enam krõpsu olla.

                              Comment

                              Working...