Kõlari väljundis 25V DC

Collapse
X
 
  • Kellaaeg
  • Show
Clear All
new posts
  • oldbear
    Liige
    • 02/2014
    • 391

    #1

    Kõlari väljundis 25V DC

    Võimendi STK0030 Darlington'idega - väljundis 25V DC. Kas võib eeldada, et need on kutud? Mida veel kontrollida?
  • jannozz50
    Liige
    • 11/2003
    • 1897

    #2
    Re: Kõlari väljundis 25V DC.

    Mis aparaat on?

    Comment

    • oldbear
      Liige
      • 02/2014
      • 391

      #3
      Vs: Re: Kõlari väljundis 25V DC.

      Hitachi SR 4010

      Comment

      • Mees Metsast
        Liige
        • 06/2005
        • 422

        #4
        Vs: Re: Kõlari väljundis 25V DC.

        Kindlasti ei ole see ainuke võimalus. Kui nii "lambist" panuseid panna, siis ma paneks isegi pigem, et ei ole lõputransside viga!

        Enamasti peaks sel juhul toite lühis olema - isegi, kui algselt ainult ühe õla lõpp läbi, siis tagasiside arvatavasti lülitab teise ka sisse ja ongi lühis (+teine õlg ka läbi).
        Iseasi, kui on kusagil ühe õla jõuahelas katkestus (sulavkaitse/(emiter)takisti/rada plaadil/...).


        Muidugi veel, et kui alalispinge väljundis ei ole kogu antud õla toitepinge (ei uurinud selle võimu kohta praegu lähemalt), siis veelgi tõenäolisemalt mingi muu viga!
        Abiks arvutustel: Oomiproge, Võimuproge
        Kahtled mõne muusikapala/albumi kvalikteedis? Ei kõla nagu päris nii? Hajuta viimased kõhklused programmiga AudioVisualizer !

        Comment

        • oldbear
          Liige
          • 02/2014
          • 391

          #5
          Vs: Re: Kõlari väljundis 25V DC.

          "Kõlari" kaitsmed on terved. Trafost tuleb 2x25V, dioodi sillalt 67V DC. STK0030 tahab saada +/- 40V max.
          viimati muutis kasutaja oldbear; 10 December 2019, 17:31.

          Comment

          • martinj
            Administraator
            • 11/2002
            • 8691

            #6
            Vs: Re: Kõlari väljundis 25V DC.

            Esmalt postitatud oldbear poolt
            "Kõlari" kaitsmed on terved. Trafost tuleb 2x25V, dioodi sillalt 67V DC. STK0030 tahab saada 40V max.
            Testri vahepeal keerasid alalispinge mõõterežiimi ?
            Elu on nagu lintmakilt muusika kuulamine. Mida lõpupoole, seda kiiremini hakkab linti äraandev ketas pöörlema...

            Comment

            • oldbear
              Liige
              • 02/2014
              • 391

              #7
              Vs: Re: Kõlari väljundis 25V DC.

              2x25=50V alaldatuna 67V tundub OK. Ma ei leia selle skeemi, aga paistab, et midagi sellist on toide(C1,C2 4700uF) +/-34V:
              Click image for larger version

Name:	wzLdV.png
Views:	1
Size:	3,5 KB
ID:	872337
              viimati muutis kasutaja oldbear; 10 December 2019, 17:37.

              Comment

              • radiotehnika35
                Liige
                • 07/2004
                • 3446

                #8
                Vs: Re: Kõlari väljundis 25V DC.

                Aga kui sul on multimeeter olemas, lülita võim välja, juhe võrgust välja, mõõda kas toitekondekates on midagi ja kui on siis katsu see energia sealt kaotada, näiteks mõne kilo-oomine takisti abiks.

                Nüüd pane tester pidevuse mõõtmisele (see piiksutest) ja mõõda STK koibade 2 ja 3 vahelt ning ka 8 ja 9 vahelt, kui saad sealt pideva helisignaali siis on 99,9% tõenäoline, et viga on kivis endas, kui ei siis on viga 99,99% välises ahelas.
                -superradical-

                Comment

                • oldbear
                  Liige
                  • 02/2014
                  • 391

                  #9
                  Vs: Re: Kõlari väljundis 25V DC.

                  Ei piiksu. Ehk siis kivid vist korras. Mis siis veel võiks olla?

                  Comment

                  • martinj
                    Administraator
                    • 11/2002
                    • 8691

                    #10
                    Vs: Re: Kõlari väljundis 25V DC.

                    Maajuhe kuskilt lahti pole ?
                    Tagasiside ahel kuskilt lahti pole ?
                    Elu on nagu lintmakilt muusika kuulamine. Mida lõpupoole, seda kiiremini hakkab linti äraandev ketas pöörlema...

                    Comment

                    • radiotehnika35
                      Liige
                      • 07/2004
                      • 3446

                      #11
                      Vs: Re: Kõlari väljundis 25V DC.

                      See väike sajandikprotsent võib viidata ka kivisisesele veale, üldiselt väike võimalus aga on olemas. Kunagi üht 402-050 kivi lammutasin kus oli üks pingevõimendi transs katkestuses, mis põhjuseks oli, ei teagi. Seal oli samuti ühes kanalis (stereo kivi) alalispinge. Omal service manuali pole, proovisin otsida ka aga ei leidnud, ehk kellelgi on või näitab teed? Välistest komponentidest tasub ka passiivosi vaadata, nii vanadel võimudel võib olla olukord kus tõesti ka tagasisides mingi takisti viik on katkenud (vahel juhtub sedagi) vm passiivosa kutu omadega.
                      -superradical-

                      Comment

                      • oldbear
                        Liige
                        • 02/2014
                        • 391

                        #12
                        Vs: Re: Kõlari väljundis 25V DC.

                        Click image for larger version

Name:	P1030264.jpg
Views:	1
Size:	229,7 KB
ID:	872338

                        Mõtlema paneb see, et mõlemad kanalid ühtmoodi vigased.
                        Eelmine omanik väitis, et oli korras ja siis kui hakkas mingeid kõlareid proovima enam mitte - juskui ei läinud üldse käima. Oleks vist küll pidanud jubedat müra kuulma, kui kõlarisse 25v lasi.
                        Kontrollisin aladist tulevad pinged ja kõik on normis: 0 ja +/- vahel 34V.
                        Pildil punasega märgitud 400R 2?W takistid soojenevad 5minutiga märgatavalt, aga mitte kärssama.
                        Klappidega kuulates sisse lülitades on kuulda urin umbes 1-2sek, mis asendub sahinaga. Signaali on kuulda nõrgalt, kui vol. peale keerata.
                        Füüsiliselt paistab kõik olevat vigastusteta ja põlemata.
                        viimati muutis kasutaja oldbear; 10 December 2019, 21:18.

                        Comment

                        • radiotehnika35
                          Liige
                          • 07/2004
                          • 3446

                          #13
                          Vs: Re: Kõlari väljundis 25V DC.

                          Need takistid on ok, ka see, et need soojaks lähevad ei ole midagi hullu.


                          Kui saad siis jooda mingid juhtmed (jooda korralikult ja ära tekita lühist!) kivi 3. ja 8. viigu külge ja mõõda maa suhtes (kõlari "miinus" klemmilt) seda pinget, kummalt viigult selle alalispinge saad?

                          Kõik need jootmised ja ühendamised siis tee väljalülitatud võimendil ja juhtmed võrgust ära ja toitekonded tühjaks! Kui juhtmed küljes, omavahel ega kuhugile ära neid lühista, kasvõi teip peale teisele kui ühte mõõdad, lükka toide sisse, ja mõõda DC pingeid, kui tehtud siis siis toide välja ja juhtmed minema, kui valesse kohta selle juhtme otsaga lähed siis kui kivi veel elus siis peale seda võib kutu olla, et ettevaatlikult siis tee seda.
                          Mõõtmised siis ilma sisendita!
                          -superradical-

                          Comment

                          • oldbear
                            Liige
                            • 02/2014
                            • 391

                            #14
                            Vs: Re: Kõlari väljundis 25V DC.

                            Saan kõikidelt nimetatud klemmidelt(mõlemad kivid, jalad 3 ja 8) -27V.

                            Comment

                            • radiotehnika35
                              Liige
                              • 07/2004
                              • 3446

                              #15
                              Vs: Kõlari väljundis 25V DC

                              Mhm, ok, vaatan homme kas leian selle kivi üles.

                              Kas sul võimalus teha sellest võimu plaadist radade poolelt pilt ja pealt ka, kogu võimuosa.
                              Ei leia manuali kusagilt

                              Kas eelvõimuosa on võimalik mingitest juhtmetest lõppvõimust lahti ühendada?
                              Vaata kriitilise pilguga kogu võimukivi juurde kuuluvad detailid ka üle.

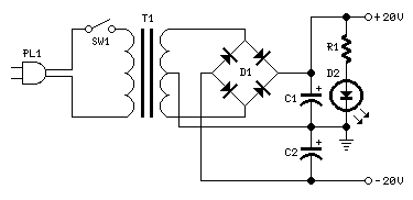
                              Ilmselt on see osa suuremal või vähemal määral umbes sarnane sellele skeemile:

                              detailide väärtused võivad mõningal määral erineda.
                              viimati muutis kasutaja radiotehnika35; 10 December 2019, 22:58.
                              -superradical-

                              Comment

                              Working...