Sagedusmõõtja KIT

Collapse
X
 
  • Kellaaeg
  • Show
Clear All
new posts
  • rainadov
    Liige
    • 08/2006
    • 1338

    #1

    Sagedusmõõtja KIT

    Härrased, vaja oleks sagedusmõõtjat KIT-i, mis loeks 10Hz kuni 300MHz-ni. Vajadusel laon kokku ise. Otsisin, aga ei leidnud. Üks, mis oli, on arvatavalt läbi müüdud ja pole saadaval. Aidake palun leida koos infoga tellimisvõimalusest! Aitäh!
  • moi
    Liige
    • 01/2003
    • 7729

    #2
    Vs: Sagedusmõõtja KIT

    Kas selline http://www.ebay.com/itm/High-Accurac...gAAOSwiYFXFKKN
    ei kvalifitseeru?

    Comment

    • fre
      Liige
      • 02/2004
      • 3814

      #3
      Vs: Sagedusmõõtja KIT

      Esmalt postitatud rainadov poolt
      ..... mis loeks 10Hz kuni 300MHz-ni. .....
      Just helisageduste mõõtmisega ongi saadaolevatel probleem harilikult, aga tõenäoliselt
      annab sidestuskondensaatorite mahtuvuse suurendamisega selles osas midagi ära teha.

      Hiljuti hankisin endale 0.1MHz ~ 1200MHz mõõtva PLJ-1601-C.
      Müüakse sellist juba kokkupanduna ja töötavat, kuid ilma korpuseta.
      Ilmselt ka see niisama ümber tegemata helisagedusi ei mõõda.
      viimati muutis kasutaja fre; 01 June 2016, 12:27.
      Elektroonika töötab suitsu baasil.
      Tähendab - igasse detaili on doseeritud täpne kogus suitsu.
      Kui mõnest suits välja lasta, siis värk enam ei käi.

      Comment

      • rainadov
        Liige
        • 08/2006
        • 1338

        #4
        Vs: Sagedusmõõtja KIT

        See isend on alates 1MHz. Need, mis on kuni 50MHz on erinevaid hulgi.

        Comment

        • Shele
          Liige
          • 02/2008
          • 2418

          #5
          Vs: Sagedusmõõtja KIT

          See KIT tundub oma hinna kohta küll kobe. Alates 10Hz kuni mõnisada kilo saab ise CMOS-ist kokku joota. Kahepeale saab ägeda riista.

          Comment

          • moi
            Liige
            • 01/2003
            • 7729

            #6
            Vs: Sagedusmõõtja KIT

            Nii suures vahemikus peab vist kahe kanaliga olema, umbes selline http://www.ebay.com/itm/Victor-VC200...0AAOxy2E1SFIm4
            See küll väga hiinakeelne aga ehk ei sega.
            Või selline, mis otse antenniga püüab: http://www.ebay.com/itm/Wireless-Min...gAAOSwp5JWZkTQ
            viimati muutis kasutaja moi; 01 June 2016, 13:21.

            Comment

            • fre
              Liige
              • 02/2004
              • 3814

              #7
              Vs: Sagedusmõõtja KIT

              Esmalt postitatud Shele poolt
              ..... Alates 10Hz kuni mõnisada kilo saab ise CMOS-ist kokku joota. .....
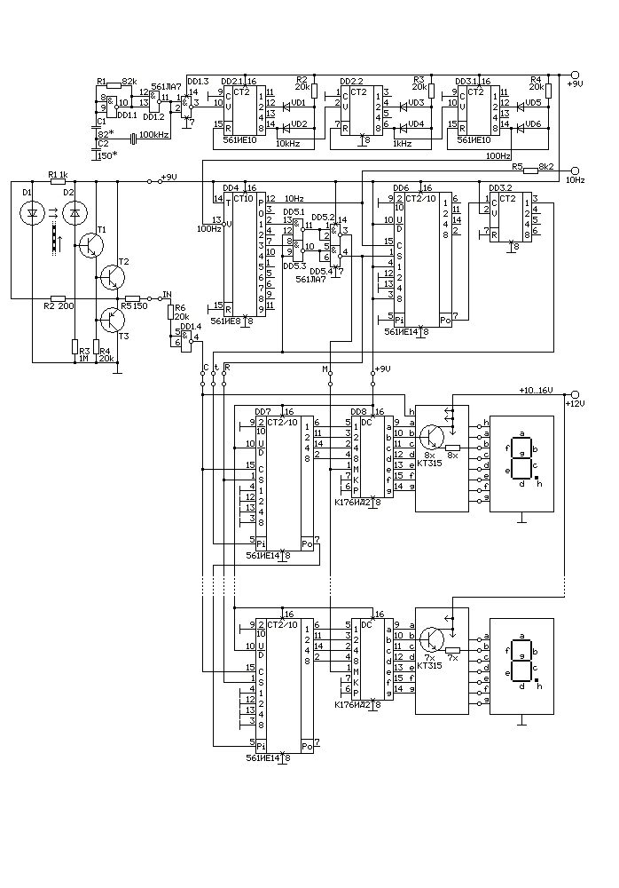
              Kunagi sai ka nii välja mõeldud ja tehtud (see on küll tahhomeetriks mõeldud, ees on optopaariga andur, aga muu skeem oleks sama)...
              Click image for larger version

Name:	Tahhoskeem.png
Views:	2
Size:	27,3 KB
ID:	869608
              Skeemil klikkides saab suuremaks. Kui kedagi huvitab, on ka plaadi joonised pakkuda.
              Elektroonika töötab suitsu baasil.
              Tähendab - igasse detaili on doseeritud täpne kogus suitsu.
              Kui mõnest suits välja lasta, siis värk enam ei käi.

              Comment

              • Shele
                Liige
                • 02/2008
                • 2418

                #8
                Vs: Sagedusmõõtja KIT

                Saab veel lihtsamalt: IE4 lugema,kui pole suuri LED-e vaja pole ka puhvreid ja dekoodereid vaja. LCD peaks kohe ka peale minema.

                Comment

                • fre
                  Liige
                  • 02/2004
                  • 3814

                  #9
                  Vs: Sagedusmõõtja KIT

                  Esmalt postitatud Shele poolt
                  Saab veel lihtsamalt: IE4 lugema,kui pole suuri LED-e vaja pole ka puhvreid ja dekoodereid vaja. LCD peaks kohe ka peale minema.
                  К176ИЕ4 olnuks muidu hea, aga ta sees pole vahemälu ja ma ei tahtnud vilkuvat näitu.
                  Tol ajal polnud ka vedelkristallnumbreid saada, siis tuli LED-numbritega teha.
                  Skeem on mu oma koostatud, omapäraks on RC-ahelate (nagu enamasti siis tavaks oli) puudumine
                  ja kogu mõõtetsükkel kestab sellise teenistusimpulsside formeerimise skeemiga ainult 1,1 mõõteaega.
                  Veel on omamoodi "hüstereesi" tekitamine juba optoanduris, aga see on siiski teine teema...
                  Elektroonika töötab suitsu baasil.
                  Tähendab - igasse detaili on doseeritud täpne kogus suitsu.
                  Kui mõnest suits välja lasta, siis värk enam ei käi.

                  Comment

                  • Shele
                    Liige
                    • 02/2008
                    • 2418

                    #10
                    Vs: Sagedusmõõtja KIT

                    Ega ma paha pärast. Vahendi määrab vajalik tulemus: kas ülim lihtsus või mugavam kasutus&tehniline elegants.

                    Comment

                    • rainadov
                      Liige
                      • 08/2006
                      • 1338

                      #11
                      Vs: Sagedusmõõtja KIT

                      Otsin ikka vel infot!

                      Comment

                      • rainadov
                        Liige
                        • 08/2006
                        • 1338

                        #12
                        Vs: Sagedusmõõtja KIT

                        Esmalt postitatud Shele poolt
                        Ega ma paha pärast. Vahendi määrab vajalik tulemus: kas ülim lihtsus või mugavam kasutus&tehniline elegants.
                        ; Tulemus peab olema usaldusväärne kogu mõõtmise vahemikus. Isegi need koma kohad peale täisarve Hz, pole tähtsad!

                        Comment

                        • rainadov
                          Liige
                          • 08/2006
                          • 1338

                          #13
                          Vs: Sagedusmõõtja KIT

                          Aitäh, härra Scott info eest!
                          Niinimetatud isekokkulaotavat KIT-i ei saanud, aga on olemas minule piisavalt sobiv oma tehnilistelt andmetega sagedusmõõtja Ameerikamaalt, Amazon.com-s. Mille hind ka sobis! See sai ära tellitud. Kättesaanud veel pole!
                          < Tekpower TP3165, Intelligent Frequency Counter 0.1Hz to 2.4Ghz, with high resolution OEM Victor VC3165 >
                          viimati muutis kasutaja rainadov; 08 June 2016, 07:39. Põhjus: täht

                          Comment

                          • Arvi
                            Liige
                            • 04/2003
                            • 468

                            #14
                            Vs: Sagedusmõõtja KIT

                            Ma ei tea, kas seda KIT-na on saada aga mulle jäi idanaabrite raadiokassist kunagi selline asi silma: http://radiokot.ru/forum/viewtopic.php?f=10&t=65025

                            Comment

                            • rainadov
                              Liige
                              • 08/2006
                              • 1338

                              #15
                              Vs: Sagedusmõõtja KIT

                              Tellitud sagedusmõõtja käes. Nüüd siis esmased muljed mis tekkisid.! Töötab ja esimene "loomkatse" sai tehtud elektrivõrgu sageduse mõõtmisega. Näitas pidevalt 50 Hz ümber ja arvan, et riist ei valeta. Paistab olevat usaldatav mõõtevahend. Selle raha eest, mis too mõõteriist maksab, ise mingit aretustööd alustada sagedusmõõtja ehitamiseks, oleks liigagi töömahukas! Ma olen temaga rahul, nii tehniliselt, kui ka välimuselt! Edasi saan selle sagedusmõõtja omadusi aegamööda hinnata, ... vastavalt kasutuses olemisele ja siis teen katsetusi ka suurematel sagedustel. Aga kava oli, et see sagedusmõõtja läheb praeguste skaalaosutiga analooggeneraatoritele lisatäienduseks! Lisajuhtmekese külge- ja ümberühendamine signaali kolmikutes pole probleemiks! Eeldan, et tuleb ehk ka mingi ülemineku pingejagur ette panna või vahele toppida, praegu veel ei tea. On 2 sisendit:a) kuni 3V, 50MHz ja kõrgemale b) 30 V, 50MHz madalamale. Samas sagedusmõõtja enda sisendtakistus on 1M Ohmi, milline on täiesti piisav! Vajadusel teen talle ka ette, sobivasse pisikesse karpi, otse CP-50, pistikusse ühendatava signaali formeerija ja pingejaguri. Minu jaoks oli see asjaajamine suhteliselt lihtne ja seda tänu foorumlase "martinj" abile. Temale suured tänud minu poolt! Aitäh!
                              viimati muutis kasutaja rainadov; 17 June 2016, 04:40. Põhjus: täht

                              Comment

                              Working...