Tuulegeneraatori kontroller küttele, ilma akudeta

Collapse
X
 
  • Kellaaeg
  • Show
Clear All
new posts
  • hotsnow
    Liige
    • 11/2013
    • 61

    #1

    Tuulegeneraatori kontroller küttele, ilma akudeta

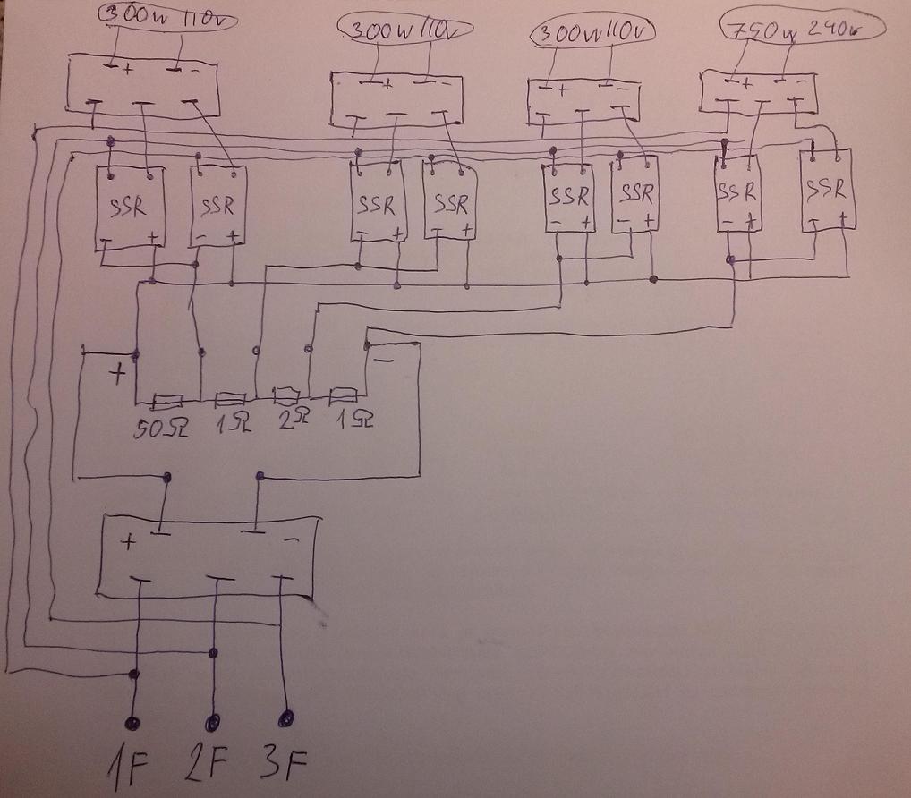
    2013 suvel hakkas tuuliku mehhaanika ilmet võtma. Sellest ajast peale olen kontrolleri peale mõeldes netis surfanud ja ühe targa juurest teise juurde käinud. Suur tänu foorumi kasutajale "Elukaz". Tänased katsetused pinge jaguriga olid edukad. Kahjuks ei suuda SSR *solid state relee alalisvoolu lülitada. Seega tuleb mul lülitada faase enne alaldamist. Palun kommentaare skeemile.

    Click image for larger version

Name:	skeem.jpg
Views:	1
Size:	168,1 KB
ID:	877884
    Lisatud failid
    viimati muutis kasutaja hotsnow; 24 April 2015, 16:48.
  • A.R.
    Liige
    • 02/2008
    • 5954

    #2
    Vs: Tuulegeneraatori kontroller küttele, ilma akudeta

    Esmalt postitatud hotsnow poolt
    Kahjuks ei suuda SSR *solid state relee alalisvoolu lylitada.
    See sõltub milist tüüpi pooljuhtreleed kasutada.

    MOSFET-transistor võiks juhtida ka alalispinget,
    trioodtüristori ei saa juhtsignaaliga välja lülitada.

    Esmalt jäi silma selline probleem:
    Lihtarvutus: takistijada kogutakistus on 55 oomi ja
    kui pinge on 55 V on vool 55/55= 1A ning takistitel eraldub võimsus 55W.
    Sellest 50 oomil on pinge 50V ja võimsus 50W -> peab olema üsna suur takisti.
    Ei ole sellist skeemi reaalelus katsetanud
    aga arvan oma väikese kogemuse (ca 1960. a alates) põhjal
    et me tunneme siin suitsu lõhna.
    ___
    Kui keegi küsiks kuidas teha, siis pakuksin esialgu välja mõned variandid:
    1. Tublile mehhaanikamehele.
    Võtta üks suurem osutvoltmeeter ja panna osutiks poolketas.
    Skaalale laduda valgusvastuvõtjad, mis juhivad releesid.
    Sõltuvalt pingest ketas pöördub ja valgustab fotoelemente.
    Vastavalt sellele lülituvad releed.

    2. Arvutihuvilisele.
    Kasutada mikroprotsessorit. Hind tuleks 2-12€
    Vaja on üks ADC mis mõõdab pinget ja väljundid mis lülitavad releesid.
    Programm on paarkümmend rida ja võib olla kirjutatud tavalises arvutis ning siis kantud mikrosse.
    Näiteks üle USB.
    Kui ei piisa 8 või 16 releekanalist siis võib paari mikroskeemi lisamisega viia reeleede arvu suuremaks.
    Muidugi võib väikese mikroprotsessori asemel olla
    Arduino või Raspberry PI. Natuke keerulisem ja kallim aga tehtav.
    Võimalik ka saada andmeid graafikute joonistamiseks.

    3. Elektroonikahuvilisele
    Tekitada generaatori pingest sõltuv juhtsignaal ja kasutada seda ühe relee juhtimiseks.
    Igale releele oma.
    Midagi sellist on siin toodud skeemis kasutusel.

    Kui mõni lahendus pakub huvi siis võiks sellest ka põhjalikumalt rääkida.
    viimati muutis kasutaja A.R.; 24 April 2015, 07:33.

    Comment

    • hotsnow
      Liige
      • 11/2013
      • 61

      #3
      Vs: Tuulegeneraatori kontroller küttele, ilma akudeta

      Tänud vastuste eest. Huvitavad lahendused. Arduinoga olen mängind. geneka pinge lülitas pirni ja valgusdiood juhtis vastavalt valgustugevusele PWM abil SSR lülitusloogikat. Kahjuks siis ei taibanud, et SSR ei suuda alalisvoolu lülitada. Katsetamine venib kuna minu laboratoorium töötab ainult tuulega ja õigest suunast tuulega. Elan linnas :-)

      Takistid olid kilodega. Sorry. Lisaks leidsin joonistatud skeemilt veel ühe vea. Parandasin ja panin uue pildi. Konkreetselt selline pingejagur töötas esimese astmega ilma lenduvate osakesteta. Suutis ca 70 voldi juures SSR sisse lülitada. Dioodsilla kasutamine tundub mulle rahaliselt parim variant.


      Lisaks tuleb osta veel mõned SSR id


      Ja küttekehad


      Hetkel töötab sarnane esimene etapp 750w 240v küttekehaga. Lihtsalt pingejaguri asemel on mobiililaadija mis ca 25 voldi juures hakkab andma nii palju alalisvoolu, et tõmbab 2 SSR sisse. Need annavad siis kaks faasi alaldile (kolmas on pidevalt järgi) ja küttekeha saab siis nii palju kui saab. Lihtsalt 240 v jaoks valmistatud küttekeha pinnatemp on madal. Kellegi käest pole küsida olnud. Kellelgi ei ole kogemusi sellises ulatuses kõikuva alisvooluga. Saab vaid valemeid ja oma laborit kasutada.

      Henri

      Comment

      • A.R.
        Liige
        • 02/2008
        • 5954

        #4
        Vs: Tuulegeneraatori kontroller küttele, ilma akudeta

        Aga kui:
        Valid siit silla

        või teed kohe kõik kolm faasi koos alaliseks.
        Tuleb siledam ja generaatoril on vast ühtlasem koormus.

        Ja kasutad selle AC SSRi asemel
        nt


        või midagi sarnast.

        Optron ette ja on peaaegu SSR.
        Igale küttekehale oma.

        Võtad küttespiraali, teed sellest küttekeha. Sobiva.
        Pinge tuleb mis tuleb ja PWM hoiab voolu.
        Ja pinget ta teab ju ka kui tahab.

        Kui teha mikroarvutil siis nt ajaskaala so ka voolu muutmine 1000 korda on täitsa mõeldav.
        Vast on ka selliseid valmis kive.

        Comment

        • hotsnow
          Liige
          • 11/2013
          • 61

          #5
          Tuulegeneraatori kontroller küttele, ilma akudeta

          Kas see IRGS suudab siis alalisvoolu juhtida. Mis pingel lylitub. ei oska neid andmeid lugeda. Milleks optron. Ilmselt ylepinge kaitseks. Ma natuke kardan seda erinevate pingete yhist 0 jalga. Selle yhise null jalaga olen kyll tossu teinud. Kui ikka 300 v ja 5 v kasutavad yhte ja sama nulli siis see tekitab natuke hirmu.
          Sellisel juhul saaksin yhe alaldiga, mis mul olemas on ja alalisvoolu voltmeeter ampermeeter naitab ka kogu tarbimist peale keskset alaldit.

          Panen siis oma eluka ka millele kontrollerit mäkerdan.

          http://www.youtube.com/watch?v=2vt4-lVMy6Y
          viimati muutis kasutaja Scott; 24 April 2015, 23:35. Põhjus: kokku

          Comment

          • A.R.
            Liige
            • 02/2008
            • 5954

            #6
            Vs: Tuulegeneraatori kontroller küttele, ilma akudeta

            Esmalt postitatud hotsnow poolt
            Kas see IRGS suudab siis alalisvoolu juhtida. Mis pingel lylitub. ei oska neid andmeid lugeda.
            Selle toodud näite puhul on kasutusel kolm jalga Emitter E, Kollektor C ja juhtelettrood G
            Seal lõpus Fig 1. on graafikud kuidas E-K vool sõltub G-E pingest.
            MAX vool on lubatud 20 A pinge üle 300 V.
            See on SELLE transistori parameetrid. On ka teisi nõrgemaid, võimsamaid - saab valida.
            Milleks optron. Ilmselt ylepinge kaitseks.
            Ma natuke kardan seda erinevate pingete yhist 0 jalga.
            Mis asi on optron?
            Kujutad ette valgusdioodi nn LEDi?
            Annad üle takisti peale mõni volt pinget ja ta hakkab helenduma.
            On selline asi nagu fototransistor. Lased valgust peale hakkab juhtima. Pimedas ei juhi.
            Panemeneed kaks asja kokku aga väikese vahega.
            Kui LED ei põle siis transistor ei juhi.
            Kui LED põleb siis transistor juhib.
            Aga kuna nad on teineteisest kaugel siis nende vahel pole elektrivoolu (nt 5000 V läbilöögipinge)
            On ainult valgusside.
            Kasutatakse selleks et isoleerida tark ja õrn arvutiosa ohtlikust kõrgepingelisest osast.
            Need hirmsad 0 jalad on valguse kaugusel.
            Ja 5V LEDi lülitamine lülitab sisse välja kõrge pinge tekitatavat voolu.

            Selle yhise null jalaga olen kyll tossu teinud. Kui ikka 300 v ja 5 v kasutavad yhte ja sama nulli siis see tekitab natuke hirmu.
            Sellisel juhul saaksin yhe alaldiga, mis mul olemas on ja alalisvoolu voltmeeter ampermeeter naitab ka kogu tarbimist peale keskset alaldit.
            Teeme siin korraks väikese vahe vahele.
            Hiljem jätkame (kui tahad).

            Comment

            • A.R.
              Liige
              • 02/2008
              • 5954

              #7
              Vs: Tuulegeneraatori kontroller küttele, ilma akudeta

              Üks probleem tuli ette mis tahaks esmalt lahendust.
              Tuul ajab generaatorit ringi, teeb tööd.
              Kuidas peaks generaatorit koormama et saada sealt maksimum kätte?
              Pinge on muutuv aga kuidas peaks muutuma vool?
              Kui kasvatame voolu siis pinge kukub aga
              maksimumis on vaja hoida pinge ja voolu korrutist.

              Kas kuskil on see sõltuvus juba avalikustatud.
              Sealt saaks leida koormustkisti optimaalse muutuse sõltuvalt pingest.
              PWM suudab vast seda "muutuvat takistit" mängida.

              Comment

              • hotsnow
                Liige
                • 11/2013
                • 61

                #8
                Vs: Tuulegeneraatori kontroller küttele, ilma akudeta

                Tänud, et sellest aru saad. Kui seeriatootmisse lastava tuuliku parameetreid arvutab suur maja täis inseneere nii, et akendest tuleb suitsu siis minul tuleb mingi lihtsam lahendus leida. Loomulikult ma püüdlen ideaali poole ja ma pean endale aru andma, et peale selle projekti tahan süüa ja bensu osta.Mõistan suurepäraselt, et kui minu kontroller ei järgi ideaalset võimsuse kõverat siis kaotan ütleme poole toodangust. Ja kohe kui ma näiteks uued labad teen, mis mul lähiajal plaanis, siis on vana kõver vale. Ja sellegi poolest olen valmis lõputult täiendama ja ümber ehitama. Minu labor töötab ainult suure tuulega. Lisaks pean hoidma tasast joont ja naabritele meeldima. Kohe muutub ehitusseadus, kus isegi tapeedi paigaldamine peab projektis olema rääkimata siis üle 6m ehitistest. Mul laba ots ulatub 12m peale ja aegajalt vilgub tiiviku vari kellegi akna peal.Peaksin ehk tegema kahe lahendusega. Esimeses otsas juhiks koormust pwm vilgutades ajas muutuva kiirusega mingit väiksemat tenni ja kui tuul vihaseks läheb siis lülituvad astmeliselt pinge jaguri abil lisakoormused.

                Comment

                • A.R.
                  Liige
                  • 02/2008
                  • 5954

                  #9
                  Vs: Tuulegeneraatori kontroller küttele, ilma akudeta

                  Tundub et Sinule meeldib mõelda.
                  Seepärast vast ehitadki.

                  Comment

                  • elukaz
                    Liige
                    • 01/2005
                    • 3673

                    #10
                    Vs: Tuulegeneraatori kontroller küttele, ilma akudeta

                    Huvitav kuidas seal käituks päiksepaneelide mppt kontroller, neil on sisendpingevahemik suur? Nõuab muidugi eelnevat pinge alaldamist ja võimalik et ka silumist. Aga kindlasti on ka tuulegeneraatori kontrollerid olemas. Vastu tuleb muidugi tasuvusaeg.

                    Takistitega mängimisel tasub pähe õppida valem P=UxU/R. 50k ja 400V võib väikse takistiga pauku teha.
                    Ma ei saa sellest aru, järelikult on see vale.

                    Comment

                    • hotsnow
                      Liige
                      • 11/2013
                      • 61

                      #11
                      Tuulegeneraatori kontroller küttele, ilma akudeta

                      Minu valitud takistite võimsus oli kõige vähem 0,6w ja hetkel on tiiviku kiirus mehhaaniliselt piiratud 160 voldini. Seega jõuab küpsetamine kõigest 0,5 vatini. Kahetsusväärselt on jälle tagantjärgi tarkusega. Lihtsalt läks õnneks :-) Tänud valemi eest. Kui pöördeid tõstma hakkan tuleb pingejagur ümber arvutada.

                      Oleks väga tänulik, kui keegi joonistaks skeemi kuidas seda optroni kasutada.
                      Lähteandmed:
                      SSRid saavad pingejagurist õigel hetkel 3v ja lülitab 3faasi vahelduvvoolu, mis läheb alaldisse ja aetakse kokku kahte soonde, et kütta ühte tenni.ssr kannatab välja pinge tõusu kuni 32v.

                      Lähteülesanne on järgmine: vahetada ssr sellise komponendi vastu mida saaks tüürida 3-32v ja lülitaks alalisvoolu max 300v 7a.

                      Eesmärk jätta iga tenni eest ära alaldi ja vatmeeter.
                      viimati muutis kasutaja Scott; 26 April 2015, 06:49. Põhjus: järjestikpostitused kokku

                      Comment

                      • elukaz
                        Liige
                        • 01/2005
                        • 3673

                        #12
                        Vs: Tuulegeneraatori kontroller küttele, ilma akudeta

                        SSR ongi sisuliselt optron (välja arvatud juhul kui ta seda ei ole), muidu oleks nad juba maha põlenud.
                        Tenni toitmiseks pole alaldamist vaja kui just väga nõrka tuult kasutada ei taha, ühendad need lihtsalt igaüks ise faasipaari ja igale üks ssr mitte kaks. Praegune skeem võiks ju nii toimida, viskad ülemised sillad välja, igast ssr paarist üks välja, püsitakistite asemele pööratavad ja saadki välja timmida nagu tahad.
                        Alumise dioodsilla võib ka oluliselt nõrgema vastu vahetada niikaua kui see toidab ainult juhtimisosa.
                        Skeemil ilmselt üks näpukas, praegu ta näitab et sa loed pinget 50k pealt, ühine on ilmselt siiski miinuspool?

                        Pilt kah, arvutada ei viitsid:
                        viimati muutis kasutaja elukaz; 25 April 2015, 16:39.
                        Ma ei saa sellest aru, järelikult on see vale.

                        Comment

                        • hotsnow
                          Liige
                          • 11/2013
                          • 61

                          #13
                          Vs: Tuulegeneraatori kontroller küttele, ilma akudeta

                          Põhimõtteliselt võiks tenne kahe faasi vahele riputada aga sellisel juhul saan madalate pöörete puhul, kui niigi genekas praktiliselt mitte midagi ei tooda veel kolmandiku võrra vähem võimsust. Mul on 2x24 magnetit ja lülitamise hetkel on kuulda müra. Kiiruse kasvades vibratsiooni sagedus kasvab ja see liigub masti resonants alast välja. Kui kasutan 18 st mähisest vaid 9 t siis ilmselt kestab müra pikemalt. Hea oleks ikka kogu saada olevat võimsust kasutada.

                          Lisaks tahaks kangesti lõpuks toodangut mõõta ja analüüsida arenduse valikuks. Minu vattmeeter suudab lugeda alalisvoolu. Poteka kasutamine on hea mõte. Küsin, kas on mingit vahet 110 v ja 240v tennil.

                          Comment

                          • elukaz
                            Liige
                            • 01/2005
                            • 3673

                            #14
                            Vs: Tuulegeneraatori kontroller küttele, ilma akudeta

                            Võimsust saad ikka nii palju kui tiivikut maha koormad, ühe faasi peal on see lihtsalt ebaühtlasem ehk vibratsioonivariant ja suurem võimalus seisma jääda.
                            Tenni puhul pole oluline pinge vaid takistus. Arvutada saad sellesama valemiga teisipidi, R=UxU/P selle järgi mis tenni peale kirjutatud ja siis päripidi tagasi palju on võimsus mingi hetkepinge juures. Võimsuse tõustes takistus küll kasvab, aga suurusjärgu saad ikka kätte, jämedalt siis pinge muutudes 2x muutub võimsus 4x.
                            Ma ei saa sellest aru, järelikult on see vale.

                            Comment

                            • hotsnow
                              Liige
                              • 11/2013
                              • 61

                              #15
                              Vs: Tuulegeneraatori kontroller küttele, ilma akudeta

                              Plaan kasutada astmelist koormamist suurematel võimsustel. Esimeses otsas hakkab juhtima koormust PWM, mis muudab koormuse vilgutamise pikkust vastavalt pinge tõusule. Pinge tõus paneb pirnikese eredamalt põlema ja vastavalt valgustugevusele lykkab pwm lylituse seesoleku aja pikemaks ja lahtioleku aja lyhemaks. Katse sai tehtud laelambist tuleva valguse tugevuse muutmisega andurile ja 60w 240v pirniga. Veekannuga, 2kw funkas ka edukalt. Mõlemal korral kyll Narvast tuleva vooluga.



                              pwm katse www.youtube.com/watch?v=GMTQDfgTPvE
                              viimati muutis kasutaja hotsnow; 27 April 2015, 19:16.

                              Comment

                              Working...