Taimeri skeem

Collapse
X
 
  • Kellaaeg
  • Show
Clear All
new posts
  • Tikk
    Liige
    • 04/2003
    • 680

    #1

    Taimeri skeem

    Oleks vaja skeemi IC555 baasil, et ehitada taimer. Tööpõhimõte: annad lülitist stardi impulsi, samaaegselt rakendub relee ja hakkab lugema aeg (peaks olema sätitav, mingi 30 min näiteks). Aeg tiksub ära, relee ennistub ja skeem jälle stardivalmis.
    Aeg on energiahulk, mis jääb põhjuse ja tagajärje vahele.
  • Shele
    Liige
    • 02/2008
    • 2418

    #2
    Vs: Taimeri skeem

    Nii pika aja jaoks on mõistlikum CMOS loendur. 555 kondekas tuleks hiiglasuur ja täpsus olematu.

    Comment

    • urmo
      Liige
      • 12/2002
      • 1835

      #3
      Vs: Taimeri skeem

      Saab teha ka pika ajaga lülitust 555-ga: endal töötab selline köögis ja tsükkel on 1 tund.
      Siit saab põhiskeemi: http://home.cogeco.ca/~rpaisley4/LM555.html#30
      seal ka seletus aja pikendamise kohta: http://home.cogeco.ca/~rpaisley4/LM555.html#5
      Head susserdamist !

      Comment

      • A.R.
        Liige
        • 02/2008
        • 5954

        #4
        Vs: Taimeri skeem

        5 min digiviidet saab kenasti võrgusagedusest nt ühe CD4020-ga, 57 senti tükk.
        (Esimene ettejuhtunud sobiv skeem.)
        Lisaks veel takisti, zener, diood ja toitefiltri konde.
        Lõppu on vaja veel üks transistor ja relee.
        Ongi kõik vajalik. Lüliti nupp ka.

        Teine veel juurde ja ongi aastad viidet.
        Kui vaja on valimist siis võiks kasutada alglaadimist.
        vähemalt minutite osas.

        Nii sai tehtud 80. algul ühisgaraaži valgustust.

        Comment

        • Tikk
          Liige
          • 04/2003
          • 680

          #5
          Vs: Taimeri skeem

          Esmalt postitatud urmo poolt
          Saab teha ka pika ajaga lülitust 555-ga: endal töötab selline köögis ja tsükkel on 1 tund.
          Siit saab põhiskeemi: http://home.cogeco.ca/~rpaisley4/LM555.html#30
          seal ka seletus aja pikendamise kohta: http://home.cogeco.ca/~rpaisley4/LM555.html#5
          Sellel skeemil on kasutatud fikseeruva asendiga lülitit, mul on tarvis, et lüliti oleks isetagastuv. Leidsin ühe skeemi, mis paistab sobivat: http://www.eleccircuit.com/basic-tim...ol-with-ne555/. Ootan kommentaare.
          Aeg on energiahulk, mis jääb põhjuse ja tagajärje vahele.

          Comment

          • urmo
            Liige
            • 12/2002
            • 1835

            #6
            Vs: Taimeri skeem

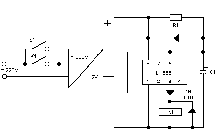
            Kusjuures ei ole fikseeruv, peale vajutust hoiab toidet relee kontakt ja skeem pole pingestatud peale tsükli lõppu.
            Selle leitud skeemi puuduseks eelnevaga võrreldes on pidev toide skeemil.

            Ise kasutasin seda:http://home.cogeco.ca/~rpaisley4/LM555.html#29

            relee ühendav kontakt paralleelselt nupuga, mis andis võrgutoite kogu süsteemile:

            Click image for larger version

Name:	taimer.bmp
Views:	1
Size:	361,5 KB
ID:	868922
            viimati muutis kasutaja urmo; 18 January 2015, 12:42. Põhjus: skeem ka juurde
            Head susserdamist !

            Comment

            Working...