Loodan et läks õigesse teemase.
Probleem on as-is kujul saadud katkise 3F MIG-keevitusega millel puudub keevitusvool täielikult - Migatronic Automig 200T (trafodega, mitte tänapäev).
Saamise hetkel oli toitekaabel tagant ära lõigatud, see sai lisatud. Originaalis on sellel keevitusel tootja enda käpp, millel on küljes potekas traadi kiiruse jaoks - samas paigaldatud on kuskil ajaloos n.ö. Euro käpp, seega sai lisatud puuduv potekas ise seadme esipaneelile.
Pealülitis olevad kaitsmed on terved, keevitus n.ö. lülitub sisse (roheline tuli elektroonikaplokil/esipaneelil), traadi ettanne toimib, ventilaator töötab, kuid keevitusvool puudub (nagu kõik 3 faasi oleksid puudu).
https://www.migatronic.com/se/suppor...200%20-%201412
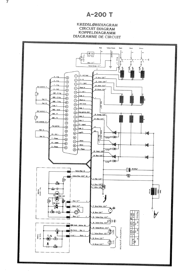
https://www.migatronic.com/media/168...tomigt-200.pdf - varuosademanuaalis viimasel lehel on ainus joonis, mille olen netist leidnud, selle järgi sai ka traadi kiiruse potekas tagasi pandud.
Elektroonikaplokk on kõige lihtsam antud tootja pakutav ehk n.ö. "T-Box".
Kas keegi oskab soovitada olemasoleva info alusel, kuidas võiks viga edasi otsida? Kas süübida elektroonikaplokki või kontrollida midagi muud? Hobikasutuseks oleks hea antud masin töökorda seada.
Probleem on as-is kujul saadud katkise 3F MIG-keevitusega millel puudub keevitusvool täielikult - Migatronic Automig 200T (trafodega, mitte tänapäev).
Saamise hetkel oli toitekaabel tagant ära lõigatud, see sai lisatud. Originaalis on sellel keevitusel tootja enda käpp, millel on küljes potekas traadi kiiruse jaoks - samas paigaldatud on kuskil ajaloos n.ö. Euro käpp, seega sai lisatud puuduv potekas ise seadme esipaneelile.
Pealülitis olevad kaitsmed on terved, keevitus n.ö. lülitub sisse (roheline tuli elektroonikaplokil/esipaneelil), traadi ettanne toimib, ventilaator töötab, kuid keevitusvool puudub (nagu kõik 3 faasi oleksid puudu).
https://www.migatronic.com/se/suppor...200%20-%201412
https://www.migatronic.com/media/168...tomigt-200.pdf - varuosademanuaalis viimasel lehel on ainus joonis, mille olen netist leidnud, selle järgi sai ka traadi kiiruse potekas tagasi pandud.
Elektroonikaplokk on kõige lihtsam antud tootja pakutav ehk n.ö. "T-Box".
Kas keegi oskab soovitada olemasoleva info alusel, kuidas võiks viga edasi otsida? Kas süübida elektroonikaplokki või kontrollida midagi muud? Hobikasutuseks oleks hea antud masin töökorda seada.
Comment