TPM14.2E LA (Mudel 7199) ravi?

Collapse
X
 
  • Kellaaeg
  • Show
Clear All
new posts
  • radiotehnika35
    Liige
    • 07/2004
    • 3446

    #1

    TPM14.2E LA (Mudel 7199) ravi?

    Et siis niisugune teler, Philips.

    Mudel 7199, 47" LCD.

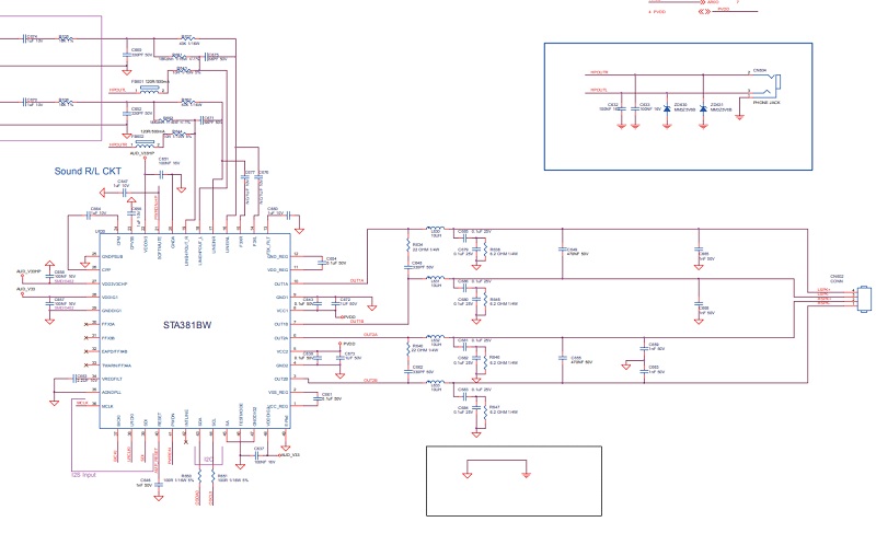
    Probleem STA381BW võimendiga. Üks kanal on surnud, vähemalt tundub ta olevat poolsurnud seisundis ehk kuulariväljundis on üks kanal osaliselt vigane aga täpsemalt kontrollida midagi ei ole võimalik sest subjekt ei lülitu isegi sisse - manualist (TPM 14.2E LA Service Manual nimetusega leitav) ei leidnud põgusa kaevumise järel infot, et kas audioosa suhtleb keskprotsessoriga kuid STA381 enda datasheeti interfeissiinfolt paistab, et üsnagi kindel, et kivi annab oma seisukorrast infot kesksele protsessorile ja see omakorda keelab kogu süsteemi käivitumise, ständbais on igaljuhul toited olemas ja manualis antud väärtusel.

    Nüüd küsimus:

    Kui keegi üldse on süviti mässanud teleritega siis kas on võimalik kuidagi "sundida" lülituma toidet ständbaist töörežiimile, ilma, et sellega ei kahjustaks midagi muud lisaks juba rikkis ahelatele?
    Tasuvusest neid asju remontida ei tahaks siinkohal pikalt heietada sest jah - mõni aasta vana asja remont kommertsajastul on nagu ta on aga kui lähtuda teoreetilistest võimalustest?

    Vigane detaili lülitusskeem on manuses.
    Lisatud failid
    -superradical-
  • moi
    Liige
    • 01/2003
    • 7726

    #2
    Vs: TPM14.2E LA (Mudel 7199) ravi?

    Ma olen mässanud selle STA väikese venna STA350-ga, kivid on mõlemad sellised, mis ilma keskprotsessorilt I2C kaudu vastava konfiguratsiooni saamist üldse ei tööta, on tummad, volumi seaded tulevad ka protsessorist I2C kaudu. Kõrvaklapi võim on sellel kivil vist puhas analoog ja peaks nagu pidevalt töös olema kui toited on olemas, põhi võim on aga digi PWM. STA annab välja üsna vähe infot, kui andmelehte lk. 48 vaadata, siis seal on kirjas, milliseid veakoode annab, neist ainult "the power bridge is in fault condition" puhul oleks nagu mõtet telakat mitte käima lubada. Katsu selle "power bridge" kuidagi üle kontrollida, kas jupid väljundite filtrites on kõik korras, midagi ei lühista väljundeid. Viga võib ka kuskil mujal olla kui selles STA kivis vist. Kivil on olemas ka oma reseti ots, mille nulli ühendamisega saab kõik registrid tehase väärtustele ja kõik veakoodid maha, väga tõenäoliselt peaks seda ka juhtima keskne protsessor ja resettima peale teleka sisse lülitamist.
    viimati muutis kasutaja moi; 16 September 2019, 22:33.

    Comment

    • radiotehnika35
      Liige
      • 07/2004
      • 3446

      #3
      Vs: TPM14.2E LA (Mudel 7199) ravi?

      Tänud mõtete eest.
      Püüan homme läheneda nendelt nurkadelt.

      Miks ma seda mõtlen, et see kivi?
      Digiosa väljundid ise on korras - senine praktika, et väljundid on kontrollitavad kivide puhul mis on ka plaadile joodetud - kui väljund on lühises siis on pidevusetest andnud alati (sõltumata kivist) kinnise ringi signaali. Rikkele eelnenult üritatigi kõrvaklapiväljundisse ühendada aktiivkõlarit (ja mõõtes on üks kanal justkui diood, teine annab aga dioodi tunnused mõlematpidi mõõtes :/ ). Mis seal valesti läks - krt teab, võibolla kõlar ise vigane või signaalikaabel lühises vms.

      Aga vaatan homme ja uurin veel andmelehte, Servicemanual ka mahukas ja kõike kokku panna, võtab aega+pole telekatega tegelenud ka suurt, lihtsalt selline proov, et äkki saab miskit teha.
      -superradical-

      Comment

      • moi
        Liige
        • 01/2003
        • 7726

        #4
        Vs: TPM14.2E LA (Mudel 7199) ravi?

        Võibolla on kogu STA kivi surnud ja ta ei suuda vastata keksprotsessorile üldse midagi ning seetõttu prose ei lase telekat tööle?
        Prose peaks ka kuidagi välja näitama, mille pärast ta telekat tööle ei lase, näiteks toite LED-i vilgutamisega nagu Pana plasma teeb, mida olen remontinud.
        viimati muutis kasutaja moi; 16 September 2019, 23:12.

        Comment

        • radiotehnika35
          Liige
          • 07/2004
          • 3446

          #5
          Vs: TPM14.2E LA (Mudel 7199) ravi?

          Hm,
          Sel teleril puudub toiteindikatsioon, mitte midagi ei toimu, toide ise käib ju ka läbi emaplaadi, sellel on mõni kontrollpinge ja need on ettenähtud väärtusega, näiteks seal 12V tööpinge mis on 8,5V kui toide ständbais, see ka nii on jne, kõik toited mida mõõta saab ja mis olemas, need on OK. Toite oma jõuosa skeem servicemanualis lk 100.
          Toite ständbai käis läbi protsessori nagu skeemilt tundus, väga põhjalikult ei uurinud aga nii kirjas oli, et ständbaist töörežiimi lülitumine käib läbi IR vastuvõtja+cpu.
          -superradical-

          Comment

          • moi
            Liige
            • 01/2003
            • 7726

            #6
            Vs: TPM14.2E LA (Mudel 7199) ravi?

            TPM14.2E LA manualis faili lk 59 on küll kirjas kuidas toite LEDi veakoodi vilgutama saada.

            Comment

            • radiotehnika35
              Liige
              • 07/2004
              • 3446

              #7
              Vs: TPM14.2E LA (Mudel 7199) ravi?

              OK, uurin seda.

              Meenus, et kunagi aastate eest sai üht resiiverit näpitud mis ka Philips, digivõimudega, ka oli STA kividega aga tooaeg olid need suuremad, umbes nagu RAM kiibid, vist oli 64 koivaga, soic tüüpi, õhukesed, peal termopäd ja radikas üle mitme kivi, sel oli lastud lühisesse kõlari väljund ja kivil oli paar jalga ära sulanud, need mis siis väljundi vahel, teine kanal oli funktsionaalselt korras, ometi kogu seade keeldus sisse lülitumast samamoodi, kuna kivi kohe ei olnud siis sai see põlenu maha joodetud aga resiiver lülitus sisse ja andis "protect" teate ja lülitus välja, sel oli ka I2C andmeühendus keskprotsessori ja nende kivide vahel ja kuna üks oli puudu siis keeldus asi töötamast kuigi mulle kätte sattunud analoogseadmete puhul pole seda täheldanud ja mingi samsung oli ka digivõimudega mis küll töötas kui rikkis kanal oli eemaldatud aga need kanalid siis muidugi tummad.
              Tundub, et Philips on siis teinud asja nii, et remont komponenditasandil oleks võimalikult nutune.

              Kas kusagil on muidu olemas mingit infot LCD paneelide kohta, et mudeli järgi oleks võimalik leida, et millised tootjad ja mis mudelites sama paneeli kasutavad? Suurt, korras paneeli jälle jäätmeks nagu jama suunata. LG paneel muidu.
              -superradical-

              Comment

              • Kaits
                Liige
                • 03/2002
                • 519

                #8
                Vs: TPM14.2E LA (Mudel 7199) ravi?

                Tervist.
                Millegipärast arvan et antud pillil softikala...see neil tavapärane....proovi upgrade_loaderiga üle lasta...annan ps-is lingi tiri see alla kopeeri tühjale fat32 formatitud väiksemahulisele pulgale ..pulk telerisse ja tv juhe seina...kui kohe ei õnnestu siis proovi miskit teist pulka...vahest on nii et ei tunne ära pulka...edu.

                Comment

                • radiotehnika35
                  Liige
                  • 07/2004
                  • 3446

                  #9
                  Vs: TPM14.2E LA (Mudel 7199) ravi?

                  Ei, seda ei ole kuidagi ka võimalik proovida kuna mingit ständbaid isegi ei ole.
                  Uurisin veel ja tundub, et ka toites võib ikka olla mingi kala.
                  抱歉,這個頁面無法取得   你點擊進來的連結可能發生問題,或該頁面已被移除。     回首頁


                  on selle asja kontroller ja tundub, et NCP1207B on sarnane asi, peab uurima täpsemalt veel kuna seda hiinakat ei ole kohe kusagilt võtta ja ennegi olnud, et lõpuks kontrolleri ikka surnud.
                  Samas on varemalt olnud asjad üldiselt täiesti tummad - võrgukaitse terve, transistorid terved ja toide ei anna midagi välja. Selle Philipsiga on kummaline - https://elektrotanya.com/philips_50p.../download.html on üks manual aga mul on esileht teistsugune aga fail sama mahuga, ma ei hakanud seda lingil olevat hetkel võrdlema.

                  Aga minu manualis toite skeem on lk 100 (pdf dokuna), lk 69 on lühidane kirjeldus toiteplokist. Seal nüüd ongi kirjas +12V tööolukorras ja +8.5V stand-by, siin nüüd on olukord kus puldil ständbay muljumine ei muuda olukorda, see 8.47V on püsivalt, ja ülejäänud peaksid ilmuma siis "ON-mode" korral.
                  Siiski on veider, et kuskil mingit tulukest ei põle kui toide on ühendatud ja pinge on muutumatu ka siis kui toide on laual üksikuna töötamas - kuskilt auitsu ei tule ja see 8.47V on stabiilne.


                  Kõrvaklapi väljundis ei ole olukord kiita - vasakus kanalis on dioodi-piiksutestiga juhtivus mõlemapidine, varasem kokkupuude ütleb, et see ei ole hea märk.
                  Kõlariväljundite pooles probleemi ei paista, lõpmatu takistus ja TAS5xxx kivi mõõtes võrdlsueks saan sama põhimõtte, seega see digivõimuosa ise tundub OK aga analoogväljund klappidele ei ole küll niisuguses olukorras nagu peaks - tal ei tohiks olla mõlematpidi juhtivust, seega üks kanal on kannatada saanud. Sinna ühendati aktiivkõlarit ja manualis kusagil jäi silma, et liiniväljundisse ühendades peaks signaalinivoo olema maha võetud - kui maas see oli, ei tea, ei olnud kõrval.
                  -superradical-

                  Comment

                  • Kaits
                    Liige
                    • 03/2002
                    • 519

                    #10
                    Vs: TPM14.2E LA (Mudel 7199) ravi?

                    Niisiis, toodi ka mulle täpselt sama mudel remonti, tollel aga jõudis noorsandist omanik juutuubi "remondi" õpetusvideosid vaadates ja asja lahti katkudes ära lõhkuda IR vastuvõtja sleifi, niikui saabub jupp siis saan hakata edasi tegutsema ja võrrelda sinu mõõtmisi tolle pilli näitudega, ehk on abiks....

                    Comment

                    • radiotehnika35
                      Liige
                      • 07/2004
                      • 3446

                      #11
                      Vs: TPM14.2E LA (Mudel 7199) ravi?

                      Ma usun küll, et oleks hea võrrelda.
                      -superradical-

                      Comment

                      • Kaits
                        Liige
                        • 03/2002
                        • 519

                        #12
                        Vs: TPM14.2E LA (Mudel 7199) ravi?

                        Niihh...võtsin asja nüüd käsile ja tegin väiksed mõõtmised võrdluseks meetodil nagu sina seda tegid...alguses testri must juhe plaadi korpusesse(tester dioodi kontrollasendis) ja punane juhe alguses klapipesa vasakusse ja siis paremasse kontakti ja mõlemal juhul oli näiduks siis 1.100 ...seejärel vastupidi punane juhe korpusesse ja mustaga klapiväljundeid mõõtes sain tulemiks .604 ...vot sellised lood. Aga küsiks veel kas oled üle kontrollinud esimeses postis antud skeemil olevad klapiväljundis olevad kaitsedioodid...äkki need lekivad...kui need korras siis jahh tuleb sul võimukivi välja vahetada...vaatasin et see täitsa tellitav lemon.ee lehel ja hind ka söödav ca~7€.
                        Mis puutub toitekasse siis antud isendil jahh stby reziimil 8,5v ja tööreziimil 12v ja käivituseks vajaliku 3,3v saab toitekas emaplaadilt.
                        Mis veel...sinu toodud skeemijupp on veidike teine mis mul on...ise tirisin antud manuali siit >> https://elektrotanya.com/philips_50p.../download.html << ja seal on antud kivi skeemijupp lk162 vaata, mõõda-kontrolli ja anna teada.

                        Comment

                        • radiotehnika35
                          Liige
                          • 07/2004
                          • 3446

                          #13
                          Vs: TPM14.2E LA (Mudel 7199) ravi?

                          Tänu!

                          Täna ei jõua, katsun homme mõõta ja vaadata.
                          Äkki on võimalik toiteplaadist pilt teha ja üles laadida, et kas need on meil samasugused? Oleks pingetest seal kindel ülevaade kui on samad.
                          -superradical-

                          Comment

                          • Kaits
                            Liige
                            • 03/2002
                            • 519

                            #14
                            Vs: TPM14.2E LA (Mudel 7199) ravi?

                            toiteplaat selline.... Click image for larger version

Name:	TOIDE.jpg
Views:	1
Size:	363,5 KB
ID:	872221, aga seda pole sul vaja ma arvan surkida, see ei käivitu enne täielikult kui pole saanud mainist +3,3v signaali ps_on kontaktile....mõõda siis üle need kaks sot23 korpuses olevat jubinat mis klapipesa juures on.... Click image for larger version

Name:	klapipesa.jpg
Views:	1
Size:	3,3 KB
ID:	872222

                            Comment

                            • radiotehnika35
                              Liige
                              • 07/2004
                              • 3446

                              #15
                              Vs: TPM14.2E LA (Mudel 7199) ravi?

                              D4003, saan mõlematpidi mõõtes 625,4mV ehk siis vastu ja päripidi mõõtes, mõlemas suunas näit sama.


                              E: Toide paistab olema samasugune

                              Teiste asjadega jebides jäi märkamata, et see diood on jadaühendatud, D4002 ehk siis teine komplekt, üks diood kuidagi töötab aga teine komplektis on 5024 oomine takisti
                              Kümmekond korda kontrollisin testriga ja see tulemus peab õige olema. Said mõlemad välja vahetatud, nii D4002 (mis oli andmelehele vastav ehk korras) kui ka riknenu, D4002, mõlemad siis BAV99 kaksikdioodid.
                              viimati muutis kasutaja radiotehnika35; 01 October 2019, 21:27.
                              -superradical-

                              Comment

                              Working...