STUDER impulsstoiteploki remontimine

Collapse
X
 
  • Kellaaeg
  • Show
Clear All
new posts
  • served
    Liige
    • 02/2005
    • 517

    #1

    STUDER impulsstoiteploki remontimine

    Tere,

    Käes väike väljakutse. Vaja oleks remontida STUDER puldi toiteplokk.
    Masin põletab kaitsmeid läbi kuna kaitse mehhanism rakendub koheselt.
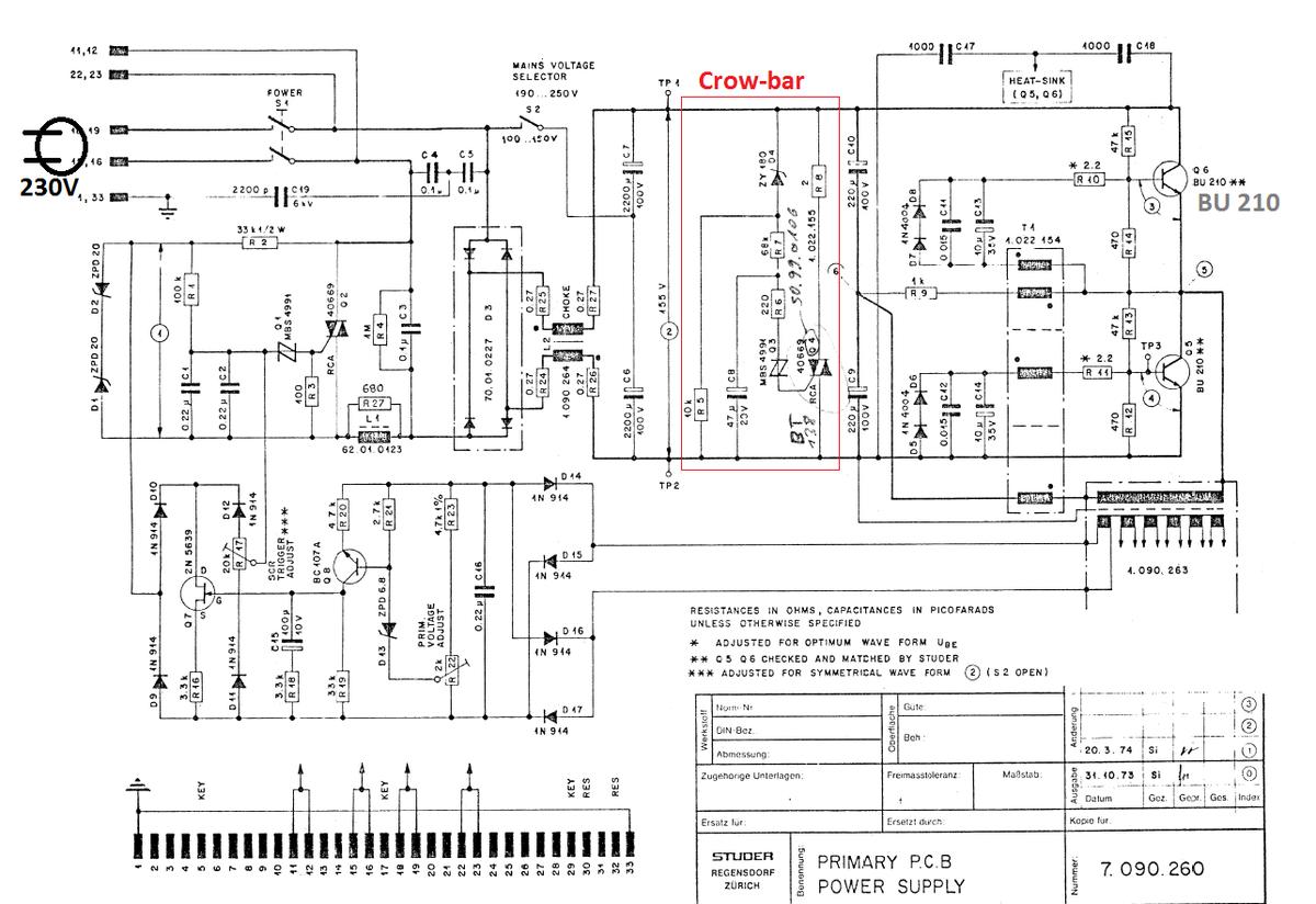
    Kaitsemehhanism on nö "Crow-bar" - vea korral lühistame.

    Kõik lüüdid ja tantaalid asendasin ära.
    On mõned küsimused, äkki keegi saab korraks pilgu peale vaadata.

    1) To-3 transistorid tunduvad olevat riknenud, mõlemad. BU 210 on peal kirjad, aga väga nende kohta infot ei leia. Millega neid asendada? Praegu on multimeetriga mõõtes nad mõlemad lühises. (maha joodetult mõõdetud)
    2) Kas on veel mingeid ideid kuhu tähelepanu pöörata?
    Click image for larger version

Name:	Studer1.jpg
Views:	1
Size:	140,3 KB
ID:	882805
  • ci139
    Liige
    • 01/2019
    • 401

    #2
    Vs: STUDER toiteploki remontimine. (impulss)

    1) BU210 võib olla BUL210 ??? ... siiski https://www.tapatalk.com/groups/vt10...-bu-t3149.html -> https://www.ebay.co.uk/itm/BU626-BU-...YAAOSwlulbZy6c

    https://alltransistors.com/pdfdatasheet_inchange_semiconductor/bu626a.pdf

    ma üldjuhul tegelen madalpinge seadmetega


    2) magnet südamikud (nagu ka helipead) võivad magneetuda (ja põhjustada küllastumisel normist suuremaid voole) ???
    viimati muutis kasutaja ci139; 24 July 2019, 14:19.

    Comment

    • freeze
      Liige
      • 08/2003
      • 1012

      #3
      Vs: STUDER toiteploki remontimine. (impulss)

      Bu210 => buw74, 2sc2123, bu626a, buy69c
      "Directly or indirectly, all issues related to sound should be decided by the ear as an organ of hearing: conclusions that are given by the ear is no longer necessary to challenge. Lord Rayleigh (John William Strutt)

      Comment

      • radiotehnika35
        Liige
        • 07/2004
        • 3446

        #4
        Vs: STUDER toiteploki remontimine. (impulss)

        KT812 võiks vene omadest sobida (katsetamiseks). BU210 asemel sobiks veel paremini kasutada BUX48, vahet pole mis lisatähega.

        Põhjus võibki olla selles BU210 transis endas, talle lubatud pinged on nadid küllaltki.

        Kas sellest toiteplokist pilti oleks võimalik saada?
        -superradical-

        Comment

        • served
          Liige
          • 02/2005
          • 517

          #5
          Vs: STUDER toiteploki remontimine. (impulss)

          Oh. Äge päris palju suurepärast infot!

          Ostsin oomipoest mõned BU626-ed.
          Keeruline punkt on veel see, et transid tuleb paaritada. Aga eks esialgu kannatab ka paaritamata paariga proovida. Koormust järgi ei aja.
          Ilmselt ongi viga jah BU210-is. Muid rikkeid ei suutnud leida. Mõõdan veel mõned dioodid üle.

          Ma teen mõed pildid

          Comment

          • vaiko
            Liige
            • 05/2003
            • 716

            #6
            Vs: STUDER toiteploki remontimine. (impulss)

            Kui BU-d põlenud, siis kontrolli kindlasti üle kõik nende baasiahelas olevad elemendid. Nüüd, kui transid väljas, on seda mugav teha.
            Olen remontinud palju sarnase skeemiga luminofoorlampide süüteseadmeid ja seal reeglina ka baasiahel põlenud.
            Transistorideks seal MJE13005/MJE13007, paaritanud pole neid kunagi. Arvan, et see pole vajalik, sest vaevalt neid ka tootmises üle mõõdetakse.

            Vaatasin veel skeemi ja nad tõesti väidavad, et on paaritanud. No kui peab, siis peab... Samas tänapäevastel transistoridel on parameetrite hajuvus kindlasti väiksem, kui tolleaegsetel.
            viimati muutis kasutaja vaiko; 25 July 2019, 15:23.

            Comment

            • ci139
              Liige
              • 01/2019
              • 401

              #7
              Vs: STUDER toiteploki remontimine. (impulss)

              kordus 2) ?? seal skeemis on T(F)1 mis juhib jõutransistoride baasahelaid . . . kunagi katsetasin RJ45 lahtisidestustoroididega Joule-Thief'i variatsiooni - esimesed 10 sekundit asi toimis hästi ... aga seejärel LED heledust enam algsele tasemele ei saanud ??? arvat magneetus/küllastus liiga väikese ristlõikega toroid . . . sinu skeemis võib selline asi põhjustada generaatori töö muutumist kaootiliseks . . .

              2+) ?? võimalik tüüp-viga , et ülekandetrafo võib sisaldada lühiskeerde (või siis lööb seal midagi üle suure väljundkoormuse korral)

              Comment

              • radiotehnika35
                Liige
                • 07/2004
                • 3446

                #8
                Vs: STUDER toiteploki remontimine. (impulss)

                siinjuures küllastusest tingitu ei ole tõsiseltvõetav muidugi juhul kui kasutatud ei ole tammepuust südamikku
                Seal on madal muundussagedus, mulle tundub, et mitte üle 20kHz. Peab väga vilets südamik olema mis küllastub, kaheldav, niipalju kui neid studeri toidetefragmente näinud siis nad üsna ülevaruga tehtud.
                Üldiselt arhailiste bipolaartranssidega sagedust väga üles ajada polegi mõtet ja see tehaseseade pigem selleaja tipulähedal, seal mustmiljon häda tekivad mis võivad toite ära kustutada suht suvalisel hetkel ja näiliselt ilma igasuguse põhjuseta.
                -superradical-

                Comment

                • served
                  Liige
                  • 02/2005
                  • 517

                  #9
                  Vs: STUDER toiteploki remontimine. (impulss)

                  Lülitatakse sagedusel 20k - 25kHz.
                  Sain täna transid kätte ja autotrafo. Saan ilmselt uuel nädalal proovima hakata.

                  Lisan siia ka Servicemanuali lingi.




                  radiotehnika: Kus neid igasuguseid Studeri toiteplokke täna veel liigub? Huvipärast tahaks teada, kes veel seda rauda kasutab siin kandis.
                  Mõned puldikanalid on puudu ühest 189 raamist. Äkki saab kellegiga kaubale.

                  R15 ära põlenud. Korpus mõrane. Mõõtes tuleb mingi kummaline väärtus. Vahetan. Kõik dioodid said ka uued. Vaatame mis veel välja koorub.
                  viimati muutis kasutaja served; 26 July 2019, 14:18.

                  Comment

                  • vaiko
                    Liige
                    • 05/2003
                    • 716

                    #10
                    Vs: STUDER toiteploki remontimine. (impulss)

                    Kordan: kontrolli KÕIKI baasiahela elemente! 1N4004´d suure tõenäosusega korras, aga konded ja eriti takid vaata üle.
                    Tegelikult R15 (või ka R13) takistuse avariilisest vähenemisest piisab, et kogu asi maha põletada...

                    Ja kui remonditud ja katsetama hakkad, pane mingi 60-75W hõõglamp järjestikku - hoiab ära suuremad pahandused :-)
                    viimati muutis kasutaja vaiko; 26 July 2019, 21:23.

                    Comment

                    • ci139
                      Liige
                      • 01/2019
                      • 401

                      #11
                      Vs: STUDER toiteploki remontimine. (impulss)

                      see toite pealereguleerimise aktiivtakisti ja triak tundub olevat asja süda (ma küll õhtul ei viitsi täpselt uurida) aga esmapilgul see "studer_089mkii_PSU.pdf" ei anna mingeid juhiseid selle ahela täpseks paika häälestamiseks ... ((veel vähem , et mul oleks mingi ettekujutus kuidas seda teha))

                      . . . (rida triviaalsusi)
                      • kui transistorid peavad olema paaritatud peavad ka 1N4004-de paarid olema paaris
                      • (eri mudelite) transistorid ei asenda teineteist → võimalik et BU626-d tahavad 470Ω asemel midagi muud
                      • (((( sellised toiteplokid töötavad paremini (püsivad norm. töö-režiimis) alates mingist väljundkoormusest kuni mingi täpse max. väljundkoormuseni . . . sellest piirist väljaspool võib genereerimine lakata . . . ))))
                      • PCB ? külmjooted ? jumperid ? ära kärsanud vask ? (logisevad elemendid)
                      viimati muutis kasutaja ci139; 27 July 2019, 01:09.

                      Comment

                      • Starfish
                        Liige
                        • 08/2009
                        • 2294

                        #12
                        Vs: STUDER impulsstoiteploki remontimine

                        Esmalt postitatud served poolt
                        Masin põletab kaitsmeid läbi kuna kaitse mehhanism rakendub koheselt.
                        Kaitsemehhanism on nö "Crow-bar" - vea korral lühistame.
                        CrowBar on ülepinge kaitse, alapingest ei tea see midagi, kui transistor lühises siis on seesama lühis mis küpsetab kaitsme läbi.


                        Esmalt postitatud ci139 poolt
                        • kui transistorid peavad olema paaritatud peavad ka 1N4004-de paarid olema paaris
                        D5-D8 ?
                        Miks need paari valida tuleks ?
                        Vaata mis pidi ja mille jaoks need üldse on, väike erinevus ei mängi rolli siin üldse...
                        viimati muutis kasutaja Starfish; 27 July 2019, 20:51.
                        http://hparchive.com/
                        https://worldradiohistory.com/index.htm

                        Comment

                        • served
                          Liige
                          • 02/2005
                          • 517

                          #13
                          Vs: STUDER impulsstoiteploki remontimine

                          Ärkas ellu.

                          Vahetasin kõik mis oli nende Q6 ja Q5 ümber.

                          Küsimus. Ossiga tuleb mõõta punkte 6 ja 5.
                          Ja ma saan aru et selliseid ahelaid tuleks koormuseall testida. Manual tahab 150W koormust.

                          Isolatsiooni trafot ilmselt poleks mõistlik ossile panna.

                          Panen paaripäeva jooksul asja käima ja saadan pilti ka.

                          Comment

                          • radiotehnika35
                            Liige
                            • 07/2004
                            • 3446

                            #14
                            Vs: STUDER impulsstoiteploki remontimine

                            Esmalt postitatud served poolt
                            Ärkas ellu.

                            Vahetasin kõik mis oli nende Q6 ja Q5 ümber.

                            Küsimus. Ossiga tuleb mõõta punkte 6 ja 5.
                            Ja ma saan aru et selliseid ahelaid tuleks koormuseall testida. Manual tahab 150W koormust.

                            Isolatsiooni trafot ilmselt poleks mõistlik ossile panna.

                            Panen paaripäeva jooksul asja käima ja saadan pilti ka.
                            Ostsilloskoop ikka impulsstoitekatega jändamise puhul mõistlik läbi eraldustrafo. Proovikoormus ka hea valida analoogne tegelikule rakendusele, eriti kui suuremad induktiivsused on reaalsel kasutuskohal.
                            -superradical-

                            Comment

                            • served
                              Liige
                              • 02/2005
                              • 517

                              #15
                              Vs: STUDER impulsstoiteploki remontimine

                              Sain masina kokku. Mõned lisa vead parandatud.
                              Toitekal on suur "inrush current" lisasin 1ohm 5W takistid nagu manual soovitas.

                              Nüüd on jäänud veel päris tugev kõrvaga kuuldav müra. Mida selle vastu teha saaks?
                              Kui toiteplokk on masinas ja õigesti koormatud on müra siiski kuuldav.
                              Uurin skoobiga kas see generaatori nelinurk on õige kujuga. Äkki on viga seal.

                              Comment

                              Working...