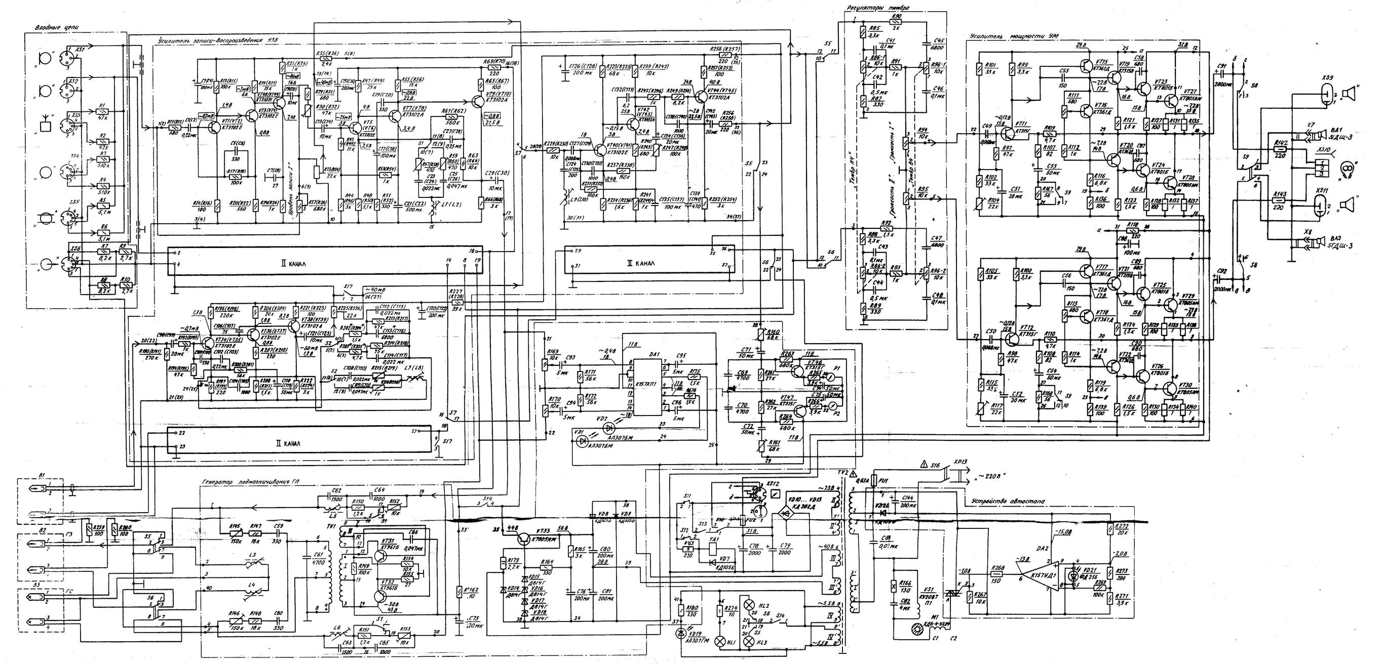
lintmakk Astra - võimendi probleem
Antud lintmakil on heli võimendil üks tõsine probleem.
heli käriseb ja peksab üle, nagu oleks volüüm põhja keeratud, selline kärin...
alguses oli seda vähe.
aga nüüd on juba võimatu.
kärin läheb varsti juba nii hulluks et ei saa enam muusikast ja laulu sõnadest kaa enam aru.
see probleem on mingil lollakal moel ainult ühel kanalil - teine kanal mängib puhtalt.
alguses oli nii et maki sise kõlaris oli kärin sees - seda vaiksemalt mängis, seda rohkem kärises.
kui volüümi järjest juurde lükata, jäi ka kärinat vähemaks.
aga nüüd on kärin koguaeg, ja palju hullem.
(Väga segane) kui ühendasin väli kõlari või kõrvaklapid vigasesse kanalisse, siis mängis ka nagu puhtalt.
valjuka võtsin maki seest välja, proovisin mujal, - see oli korras, mängis puhtalt.
panin makile ühe teise valjuka sinna sisse asemele, sellel oli ka sama kärin sees.
KÕIK lüüdid vahetasin kogu makil ära.
võimendil ja teistel plokkidel.
mis viga see selline on üldse, ja millest see tuleb ???

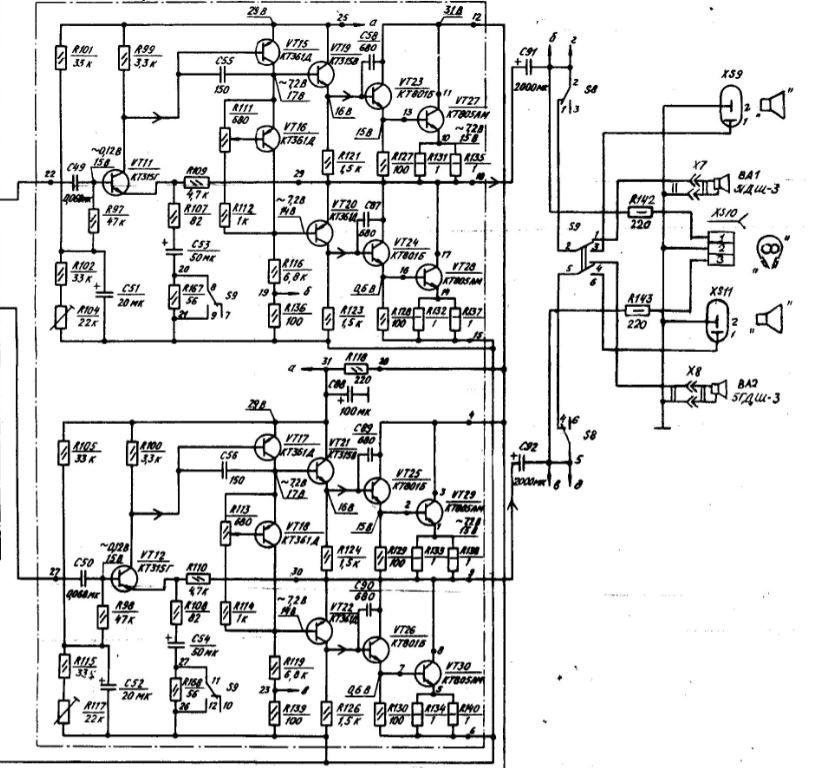
Antud lintmakil on heli võimendil üks tõsine probleem.
heli käriseb ja peksab üle, nagu oleks volüüm põhja keeratud, selline kärin...
alguses oli seda vähe.
aga nüüd on juba võimatu.
kärin läheb varsti juba nii hulluks et ei saa enam muusikast ja laulu sõnadest kaa enam aru.
see probleem on mingil lollakal moel ainult ühel kanalil - teine kanal mängib puhtalt.
alguses oli nii et maki sise kõlaris oli kärin sees - seda vaiksemalt mängis, seda rohkem kärises.
kui volüümi järjest juurde lükata, jäi ka kärinat vähemaks.
aga nüüd on kärin koguaeg, ja palju hullem.
(Väga segane) kui ühendasin väli kõlari või kõrvaklapid vigasesse kanalisse, siis mängis ka nagu puhtalt.
valjuka võtsin maki seest välja, proovisin mujal, - see oli korras, mängis puhtalt.
panin makile ühe teise valjuka sinna sisse asemele, sellel oli ka sama kärin sees.
KÕIK lüüdid vahetasin kogu makil ära.
võimendil ja teistel plokkidel.
mis viga see selline on üldse, ja millest see tuleb ???
Comment