Valik: Denon DCD-3300 vs Kenwood DP 1100 SG > 2 x PCM56P-K

Collapse
X
 
  • Kellaaeg
  • Show
Clear All
new posts
  • martk
    Liige
    • 01/2013
    • 1834

    #1

    Valik: Denon DCD-3300 vs Kenwood DP 1100 SG > 2 x PCM56P-K

    Tekkis võimalus isendile, mis pärit 80ndate lõpu jaapani toodangust.
    Kumbki mudel on ühesuguse digi/analog muunduriga: 2 x PCM56P-K – CXD1088Q.
    Sissejuhatuseks uurisin, kuidas üleüldse keerutati kokku CD mängijate soolikad erinevates jaapani mudelites.
    Selgus, et tippmudelid on erinevate DAC lahendustega.
    Siin jaapani keelest tõlge:
    Comparison of the 1987 CD player 89,800 yen class
    https://translate.google.ee/translate?hl=et&sl=ja&tl=en&u=http%3A%2F%2Faudiof. zouri.jp%2Fhi-cd-51.htm

    Edasi tekkis huvi tutvuda Burr-Brown D/A konverteri PCM56P-K parameetritega
    Väljavõte datasheedist:
    TOTAL HARMONIC DISTORTION (TYP, MAX)
    VO= Full Signal at f = 991Hz:
    PCM56P-K: –94 –92 dB
    PCM56P-J: –94 –88 dB
    PCM56P, PCM56U: –94 –82 dB
    PCM56P-L: –94 –80 dB

    VO= –20dB at f = 991Hz:
    PCM56P-K: –75 –74 dB
    PCM56P-J:–75 –68 dB
    PCM56P, PCM56U –75 –68 dB
    PCM56P-L:–75 –60 dB

    VO= –60dB at f = 991Hz:
    PCM56P-K:–35 –34 dB
    PCM56P-J: –35 –28 dB
    PCM56P, PCM56U: –35 –28 dB
    PCM56P-L: –35 –20dB


    http://www.ti.com/lit/ds/sbas149/sbas149.pdf

    * Siin venekeelne jutuke Denonist:
    Denon DCD-3300. CD проигрыватель - топовая модель DENON линейки 1987г.

    Siin jaapanikeelne inglise versioon Denonist:
    DENON,デノン,デンオン,DCD-3300,アンプ,スピーカー,プレイヤー,デッキ,チューナー,オーディオ,名機


    * Siin mudeli Kenwood prantsusest tõlge
    CD player High end Kenwood DP 1100 SG (1988)
    Siin Kenwood tõlge jaapanist ingliskeelde
    KENWOOD,ケンウッド,DP-1100SG,CDプレーヤー,CDデッキ,中古,オーディオ,アンプ,スピーカー,レビュー,音質,修理,メンテナンス,画像,オークション



    Päris põnev on tõdeda, et polegi nii lihtne valida.
    viimati muutis kasutaja martk; 24 September 2015, 13:14. Põhjus: täsustused/lingid
    Digital is like formaldehyde, first it kills the music, then it stores it forever.
  • moi
    Liige
    • 01/2003
    • 7729

    #2
    Vs: CD mängija valik: Denon DCD-3300 vs Kenwood DP 1100 SG > 2 x PCM56P-K

    Kui võimalik vaata ka skeemide peale, võib aidata otsustada.

    Comment

    • martk
      Liige
      • 01/2013
      • 1834

      #3
      Vs: CD mängija valik: Denon DCD-3300 vs Kenwood DP 1100 SG > 2 x PCM56P-K

      Esmalt postitatud moi poolt
      Kui võimalik vaata ka skeemide peale, võib aidata otsustada.
      Mõlema skeemid on olemas, kuid millele seal sihik seada - servo, digi filter, digi korrektor, kell/quartz, DAC sisend, DAC väjund, analoog filter, analoog võimendus?
      Digital is like formaldehyde, first it kills the music, then it stores it forever.

      Comment

      • moi
        Liige
        • 01/2003
        • 7729

        #4
        Vs: CD mängija valik: Denon DCD-3300 vs Kenwood DP 1100 SG > 2 x PCM56P-K

        Kõik mängib natuke aga näita välja.

        Comment

        • martk
          Liige
          • 01/2013
          • 1834

          #5
          Vs: Valik: Denon DCD-3300 vs Kenwood DP 1100 SG > 2 x PCM56P-K

          Pole sellist kohta, kuhu oskaksin/saaksin skeemid suurelt ülesse riputada.
          Kuid mõlema skeemid on olemas Hifiengine saidil (vaatamiseks/allalaadimiseks peab olema registreerunud):
          http://www.hifiengine.com/manual_lib...dcd-3300.shtml
          http://www.hifiengine.com/manual_lib...p-1100sg.shtml

          Samas tundub, et Denon vingerdab mul peost välja - tõuseb hind ja omaniku tahtmatus isendist loobuda.
          Digital is like formaldehyde, first it kills the music, then it stores it forever.

          Comment

          • moi
            Liige
            • 01/2003
            • 7729

            #6
            Vs: Valik: Denon DCD-3300 vs Kenwood DP 1100 SG > 2 x PCM56P-K

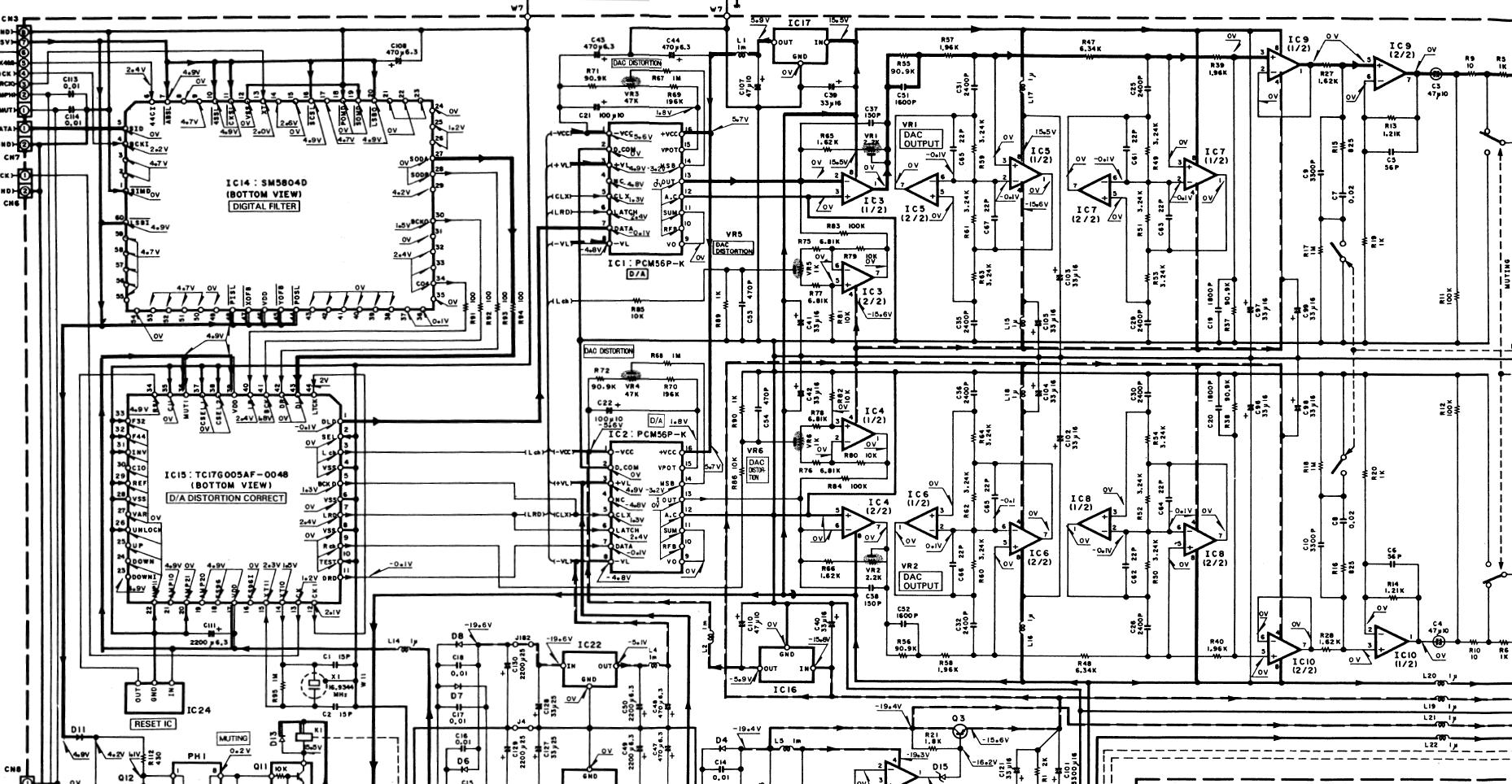
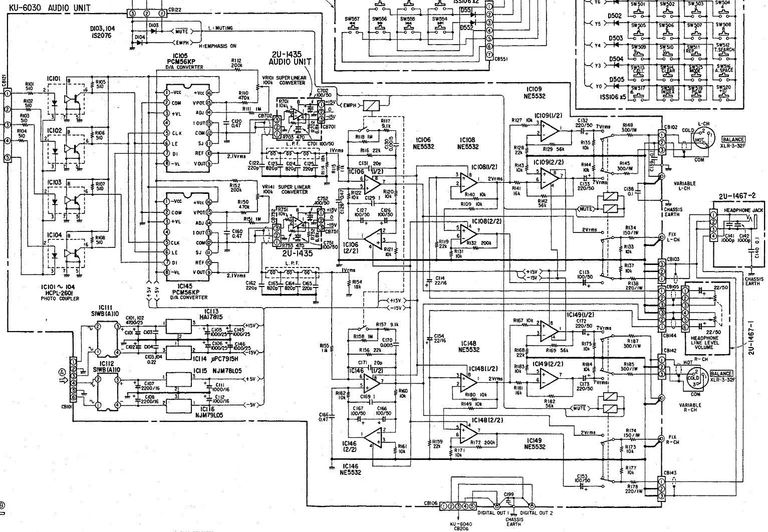
            Skeemid on piisavalt erinevad et nad võiks ka erinevat häält teha, kumb aga on parem on natuke raske arvata. Võibolla Denon, tal väljundfiltris vähem opakaid ja analoog signaal ei käi läbi ühegi kondeka. Kenwoodil see-est on ming Distortion correction süsteem peal.

            Comment

            • freeze
              Liige
              • 08/2003
              • 1012

              #7
              Vs: Valik: Denon DCD-3300 vs Kenwood DP 1100 SG > 2 x PCM56P-K

              Lisasin
              Lisatud failid
              "Directly or indirectly, all issues related to sound should be decided by the ear as an organ of hearing: conclusions that are given by the ear is no longer necessary to challenge. Lord Rayleigh (John William Strutt)

              Comment

              • martk
                Liige
                • 01/2013
                • 1834

                #8
                Vs: Valik: Denon DCD-3300 vs Kenwood DP 1100 SG > 2 x PCM56P-K

                Tänud freeze, nüüd vähemalt analooglõpud kenasti kõrvuti. Siit küsimus - mIlleks kasutab Denon DAC-i sisendis foto-couplerit (eestikeelset vastet ei suuda meenutada - kas ehk optron) ja kas Denoni DAC-i väljundis olev poolide+kondensaatorite filter on audiofiilselt ägedam/kangem kui Kenwoodi op-võmendil baseeruv aktiivfilter?
                Sidestuskondensaatorite olemasolu või puudumise teemat süvendada väga ei tahaks, kuna olen kogenud head ja halba edastust nii ühel kui teisel lahendusel.
                Aga samplingu ja digipuhvri teema huvitab küll.
                Mehaanikast võiks kah keegi miskit arvata - et kas lineaarmootor on see kõige õigem? Ja mitu abimootorit võiks olla või üldse mitte olla?
                Digital is like formaldehyde, first it kills the music, then it stores it forever.

                Comment

                • freeze
                  Liige
                  • 08/2003
                  • 1012

                  #9
                  Vs: Valik: Denon DCD-3300 vs Kenwood DP 1100 SG > 2 x PCM56P-K

                  Kustutasin pildilingid mehaanikatest. Mingit sodi tuli kaasa.

                  Mõlemad mängijad on huvitavad. Lineaarmootor ei anna olulist eelist. Lugude otsingul vbla.
                  viimati muutis kasutaja freeze; 24 September 2015, 23:17. Põhjus: Eemaldasin lingid.
                  "Directly or indirectly, all issues related to sound should be decided by the ear as an organ of hearing: conclusions that are given by the ear is no longer necessary to challenge. Lord Rayleigh (John William Strutt)

                  Comment

                  • moi
                    Liige
                    • 01/2003
                    • 7729

                    #10
                    Vs: Valik: Denon DCD-3300 vs Kenwood DP 1100 SG > 2 x PCM56P-K

                    Mina eriti ei vaimustu selle Denoni optronitega sidestuse peale, see on suur jitteri allikas, ilmselt 80ndate lõpus sellele jitterile eriti tähelepanu ei pööratud. Pasiivfilter peaks heli vähem mõjutama kui opakad ja on kindlasti huvitav asi, ma pole varem näinud ühegi CD-mängija skeemis seda.

                    See Kenwoodi Distortion correction peaks tõnäoliselt ditherit tegama:
                    Hello All. I have a Kenwood DP-1100SG cd player which sounds great, no doubt helped by many items as standard eg twin Transformers, multiple regulators, separate digital / analog boards, cast alloy cdm, etc. One thing it has is a 'D/A Distortion Compensator' chip, TC17G005AF-0048. It sits...
                    viimati muutis kasutaja moi; 25 September 2015, 08:15.

                    Comment

                    • martk
                      Liige
                      • 01/2013
                      • 1834

                      #11
                      Re: Vs: Valik: Denon DCD-3300 vs Kenwood DP 1100 SG > 2 x PCM56P-K

                      Kõrvalteemas mainib EnnS:
                      CD-mängijal ja CD-mängijal on vahe. Mõni kiidab vanakooli TDA1541 DAC-iga mängijaid, mõni jälle leiab et PS (Play Station) esimene mudel teeb paljudele audiofiilsetele mängijatele ära. Vanakooli-Philips on mul olemas ja heal juhul saan risukastist ka ühe töötava PS ehk kokku. Siis võib proovida, kuidas need moodsa keskpärase mängija või viisaka eraldiseisva DAC-iga kõlavad.
                      Ise läksin jaapanlaste teed st sebisin ja taastasin kenwoodi, kus DAC on 2 x BurrBrown PCM56P-K. (16 bit serial DAC with a 96dB resolution)
                      Valiku tegemisel oli pisut abiks see jutuke:
                      Digital is like formaldehyde, first it kills the music, then it stores it forever.

                      Comment

                      • moi
                        Liige
                        • 01/2003
                        • 7729

                        #12
                        Vs: Re: Vs: Valik: Denon DCD-3300 vs Kenwood DP 1100 SG > 2 x PCM56P-K

                        Mis moodi jutt Technicsist oli abiks Kenwoodi ostmisel?
                        Ei ole nagu samad aparaadid.

                        Comment

                        • home
                          Liige
                          • 12/2015
                          • 1080

                          #13
                          Vs: Re: Vs: Valik: Denon DCD-3300 vs Kenwood DP 1100 SG > 2 x PCM56P-K

                          Võin Sinule Denon DAP 2500 võrdlemiseks laenata
                          Ilmselt provotseerib audiofiilia aja jooksul retrofiilse modernofoobia arengut.

                          Comment

                          • redart
                            Liige
                            • 11/2009
                            • 903

                            #14
                            Vs: Re: Vs: Valik: Denon DCD-3300 vs Kenwood DP 1100 SG > 2 x PCM56P-K

                            Ma uurisin ja kasutasin mõned aastad tagasi, kui DAC-id veel uus asi oli ja hammas peale ei hakanud, Sony tolleaegseid MD mängijaid. Neil on digisisend ja saab pmst dac-ina rakendada. Samad skeemitehnoloogiad olid neil cd mängijatel ka. Kõva sõna oli neil siis Current Pulse. Mis idee järgi on tore asi, dac-il on sümmeetriline (balanseeritud) vooluväljund mille sabas on veel omakorda siis konverter. Ja vastavalt pilli hinnaklassile väiksem või suurem hulk opakaid. Aga minu kõrv sellest hästi ei arvanud, mida kallima otsa aparaat, seda rohkem oli seal sellist ebaloomulikku karvasust, eriti vokaalis. Muidugi, kallimal aparaadil oli toide paremini tehtud jne, aga see ebaloomulikkus rikkus minu jaoks sellest saadava rõõmu.
                            Toidan trolle!

                            Comment

                            • martk
                              Liige
                              • 01/2013
                              • 1834

                              #15
                              Vs: Re: Vs: Valik: Denon DCD-3300 vs Kenwood DP 1100 SG > 2 x PCM56P-K

                              Esmalt postitatud moi poolt
                              Mis moodi jutt Technicsist oli abiks Kenwoodi ostmisel?
                              Ei ole nagu samad aparaadid.
                              Kas lugesid mu esimest kenwoodi linkidega ingliskeelse tõlke taaskord diagonaalis

                              To home: jätan su pakkumise meelde, kuid oma pikal kahtuste/otsingute teel tundub, et kui miski tootja tegi ühes-kestas CD redbook transpordi koos digi-ana muunduriga (nt kvartsi tiksumine aeti militaartasemele), siis oli see etem, kui miski väline digi-ana muundur. Tore kui eksin.
                              viimati muutis kasutaja martk; 30 June 2017, 18:29.
                              Digital is like formaldehyde, first it kills the music, then it stores it forever.

                              Comment

                              Working...